EasyManua.ls Logo

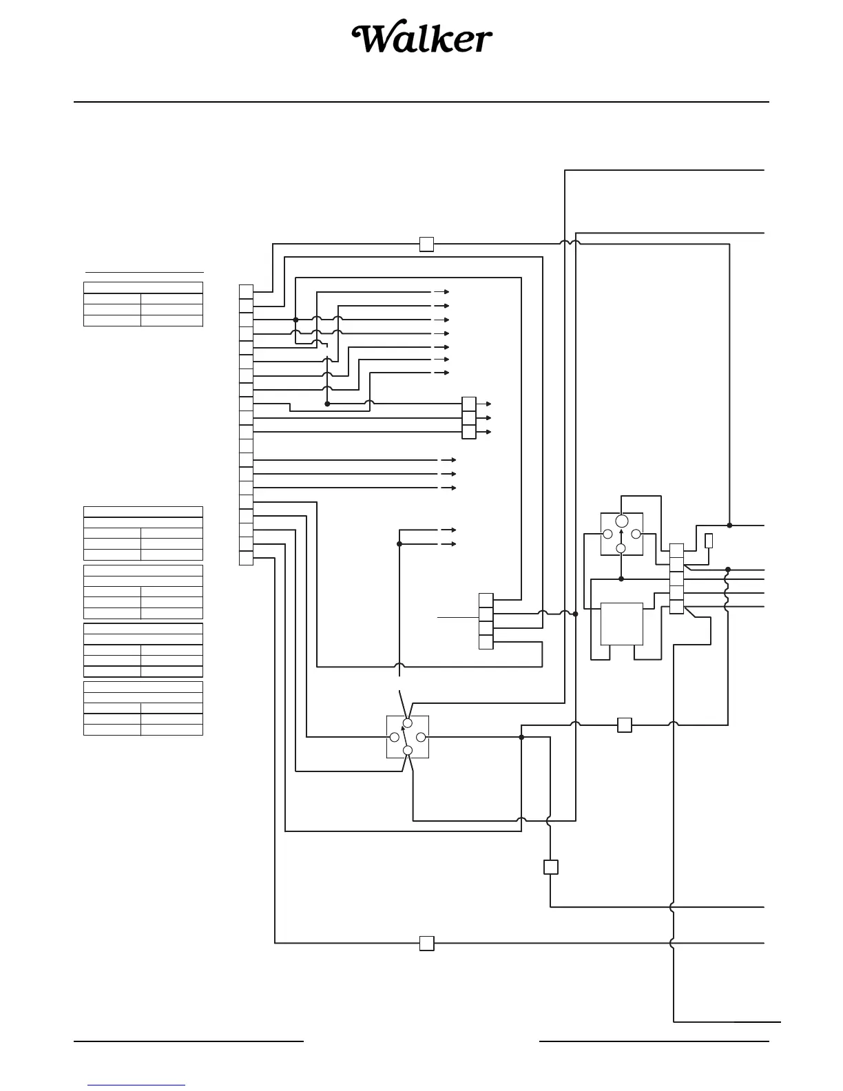
Walker MTL - Wiring Diagram - Model MTEFI

Walker MTL
256 pages
Print Icon
To Next Page IconTo Next Page
To Next Page IconTo Next Page
To Previous Page IconTo Previous Page
To Previous Page IconTo Previous Page
Loading...
Page: 5-6
WALKER MANUFACTURING COMPANY
July 2006
SERVICE INSTRUCTIONS
RELAY - A
RELAY - B
ONLY
DEPT.
SERVICE
TEST PLUG
DIAGNOSTIC
86
85
TO J12/J13
TO J1/J2
TO J1
TO J11
TO J10
TO J3/J4
TO J3
TO J3
TO J8
TO J20
TO J20
TO J20
TO J2
TO J4
TO J5
J21
TIME
DELAY
MODULE
FOR TAIL
WHEEL LOCK
J17
J14 = IGNITION COIL GROUND
J20 = SPEED PICK-UP SENSOR
J13 = #2 IGNITION COIL
J12 = #1 IGNITION COIL
J11 = #2 IGNITION COIL
J10 = #1 IGNITION COIL
J8 = ENGINE GROUND
J5 = OXYGEN SENSOR
J6 = REGULATOR / RECTIFIER
J4 = OIL TEMP SENSOR
J3 = THROTTLE POSITION SENSOR
J2 = #2 FUEL INJECTOR
J1 = #1 FUEL INJECTOR
G = GROUND CIRCUIT
A = ACCESSORY CIRCUIT
B = BATTERY CIRCUIT
M = MAGNETO GROUND CIRCUIT
S2 = START / ACCESSORY CIRCUIT
S1 = START CIRCUIT
30 + 87
OPEN
IGNITION / FUEL RELAY
OPEN
OPEN
DELAY RELAY
30 + 87A
30 + 87A
OPEN
OPEN
OPEN
WALKER MODEL MT-EFI
Beginning S/N 2003-64669
START / TIME DELAY RELAY
START / SOLENOID RELAY
START
PTO ON
RELAY - A
OFF
START
RUN
RELAY - B
OFF
OPEN
START
RUN
RELAY - C
OFF
30 + 87A
RUN (LOW)
RUN (HIGH)
RELAY - D
OFF
30 + 87
J17
J17
RED/WHT
BLK
BLK
BRN
GRN
GRN
WHT
BLK/WHT
WHT
WHT
WHT
BLK
GRN
GRN
BLK
BLK
RED
RED
ORG
BLK/WHT
BRN
PNK
GRA
BLK
BLK
BLK
WHT
WHT
BLK/WHT
ORG
BRN
RED/WHT
RED
RED/WHT
RED/WHT
RED/YEL
BLU
PUR
YEL
YEL
BLK
GRN
BLK
GRN
BLU
TAN
RED
GRA
RED
GRA
BRN
PUR
BLK
BLU
PUR
RED
RED/YEL
RED/YEL
RED/YEL
RED
RED
GRA
GRA
RED
RED
BLU
BLK/WHT
BLU
IGNITION SWITCH CIRCUITS
START
RUN
OFF
G + M
B + A
B + A / S1 + S2
30
85
86
30
85
86
87
87A
PUR
RED/YEL
Wiring Diagram - Model MTEFI

Table of Contents

Other manuals for Walker MTL

Related product manuals