EasyManua.ls Logo

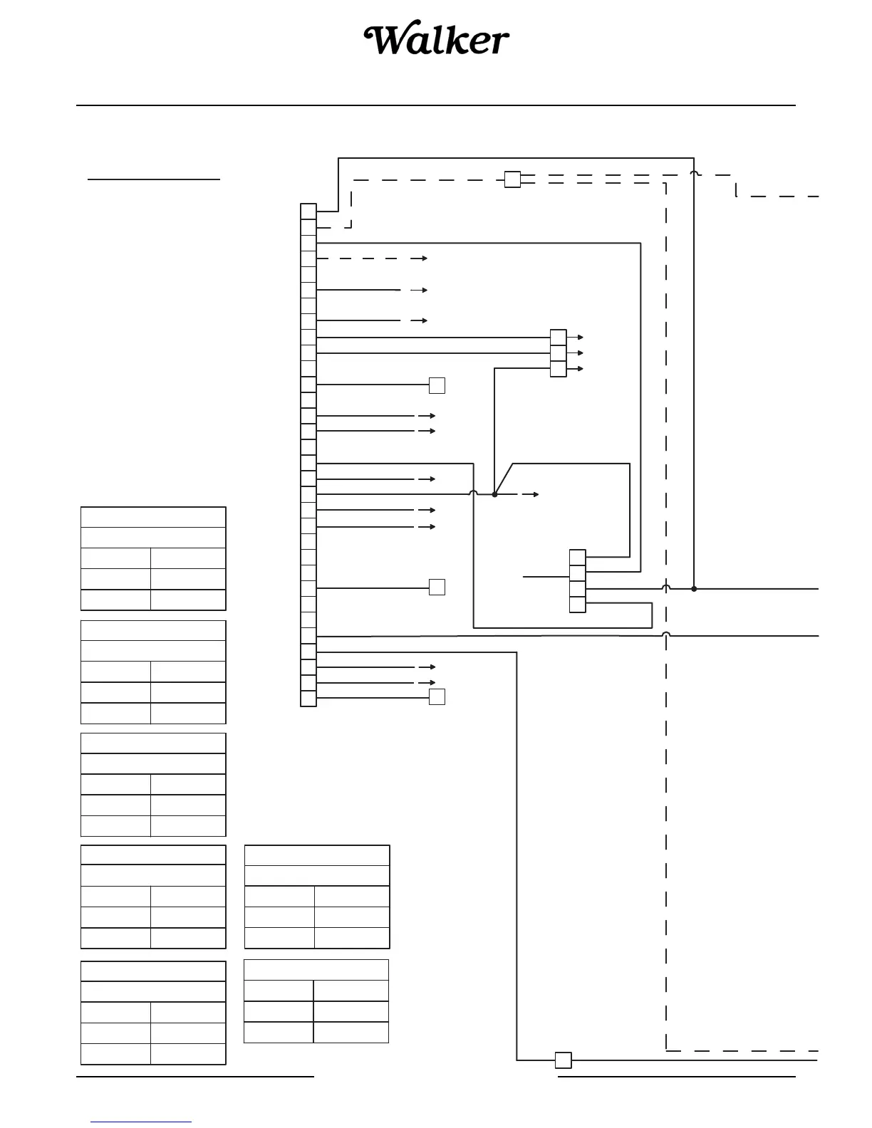
Walker MTL - Wiring Diagram - Model MTLEFI

Walker MTL
256 pages
Print Icon
To Next Page IconTo Next Page
To Next Page IconTo Next Page
To Previous Page IconTo Previous Page
To Previous Page IconTo Previous Page
Loading...
Page: 5-8
WALKER MANUFACTURING COMPANY
July 2006
SERVICE INSTRUCTIONS
ONLY
DEPT.
SERVICE
TEST PLUG
DIAGNOSTIC
J14 = IGNITION COIL GROUND
J20 = SPEED PICK-UP SENSOR
J13 = #2 IGNITION COIL
J12 = #1 IGNITION COIL
J11 = #2 IGNITION COIL
J10 = #1 IGNITION COIL
J8 = ENGINE GROUND
J5 = OXYGEN SENSOR
J6 = REGULATOR / RECTIFIER
J4 = OIL TEMP SENSOR
J3 = THROTTLE POSITION SENSOR
J2 = #2 FUEL INJECTOR
J1 = #1 FUEL INJECTOR
G = GROUND CIRCUIT
A = ACCESSORY CIRCUIT
B = BATTERY CIRCUIT
M = MAGNETO GROUND CIRCUIT
S2 = START / ACCESSORY CIRCUIT
S1 = START CIRCUIT
RUN
START B + A / S1 + S2
G + M
B + A
OFF
IGNITION SWITCH CIRCUITS
PTO ON OPEN
30 + 87A
30 + 87A
START
OFF
RELAY - A
PTO RELAY
RUN
START
OFF
OPEN
OPEN
RELAY - B
START RELAY
PTO ON
30 + 87A
30 + 87A
30 + 87
START
OFF
RELAY - C
OPEN
PTO ON 30 + 87
30 + 87A
30 + 87A
START
OFF
RELAY - D
FAN SPEED CONTROL
FAN INTERRUPT RELAY
PTO ON OPEN
OPEN
30 + 87A
START
OFF
RELAY - E
DELAY RELAY
PTO ON
OPEN
OPEN
30 + 87
START
OFF
RELAY - F
IGNITION / FUEL RELAY
TO J1
TO J3
TO J3
TO J20
TO J20
TO J20
TO J3/J4
TO J4
TO J8
J17
J17
WALKER MODEL MTL-EFI
Beginning S/N 2005-75988
BLK
WHT
BLK
BLK
LITE BLU
RED
ORG
RED
BLK/WHT
PUR
GRA
BLK
BLK
BLK
WHT
ORG
BLU
YEL
YEL
TO J5
BRN
BRN
TO J11
BLK
BLK
TO J8
BLK
BLK
TAN
PNK
PNK
GRN
BLU
HOT
TEMP
SAFETY
SWITCH
FAN
GRN
TO J10
GRN
GRN
RED/YEL
RED/YEL
RED/YEL
RED/YEL
RED/YEL
RED
1
2
3
4
5
6
7
8
9
10
11
12
13
14
15
16
17
18
19
20
21
22
23
24
25
26
27
28
29
30
31
RED
RED
BLU
PUR
GRA GRA
32
J21
J18
J21
RED/WHT
J21
BLU
TO J2
Wiring Diagram - Model MTLEFI

Table of Contents

Other manuals for Walker MTL

Related product manuals