EasyManua.ls Logo

Walker MTL - Wiring Diagram - HD8400

Walker MTL
256 pages
Print Icon
To Next Page IconTo Next Page
To Next Page IconTo Next Page
To Previous Page IconTo Previous Page
To Previous Page IconTo Previous Page
Loading...
Page: 5-17
WALKER MANUFACTURING COMPANY
July 2006
SERVICE INSTRUCTIONS
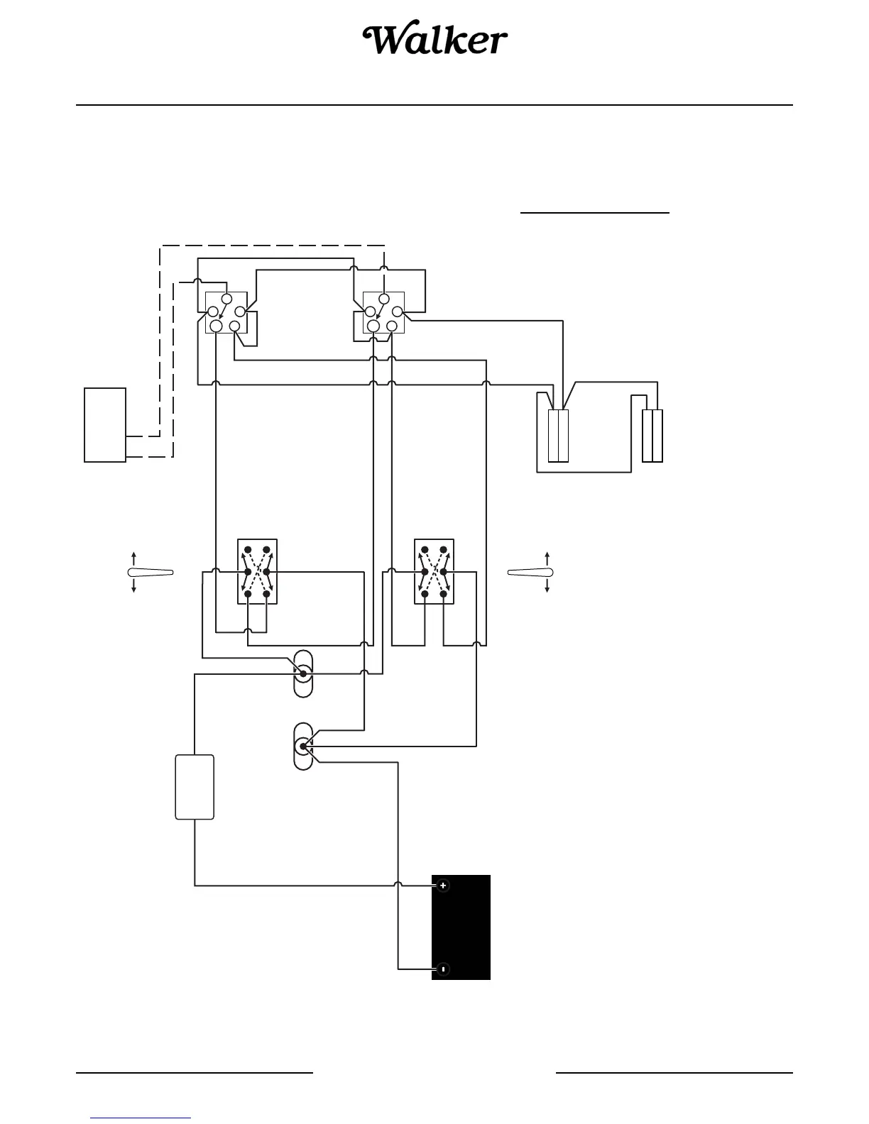
BATTERY
WALKER HD8400
ELECTRICAL SCHEMATIC
RELAY - A
RELAY - B
40 AMP
CIRCUIT
BREAKER
RED
REDRED
RED
RED
RED
RED
RED
RED
BLK
BLK
BLK
BLK
BLK
BLK
BLK
Hydraulic
Valve
Block
Coil
Hydraulic
Pump
LIFT
SWITCH
DUMP
SWITCH
BLU/
WHT
BLU/
WHT
GRN/
WHT
GRN/
WHT
GRA
BLU
BLU
GRN
GRN
BLK
BRN
BRN
YEL
YEL
BRN
BLK
GRN
BLU
UP
DOWN
OFF
Hydraulic
Valve
Block
Coil
JUNCTION
BOX
JUNCTION
BOX
87
87A
85 86
30
87
87A
85 86
30
UP
DOWN
OFF
Wiring Diagram - HD8400

Table of Contents

Other manuals for Walker MTL

Related product manuals