EasyManua.ls Logo

Walker MTL - Fuel Filter Replacement

Walker MTL
256 pages
Print Icon
To Next Page IconTo Next Page
To Next Page IconTo Next Page
To Previous Page IconTo Previous Page
To Previous Page IconTo Previous Page
Loading...
Page: 2-23
WALKER MANUFACTURING COMPANY
July 2006
SERVICE INSTRUCTIONS
223
4
4
13
13
12
12
9
10
11
15
16
14
18
18
20
21
22
19
17
23
24
23 & 32
25 2526
28
27
30
30
29
31
11
5
7
7
8
8
6
6
6
6
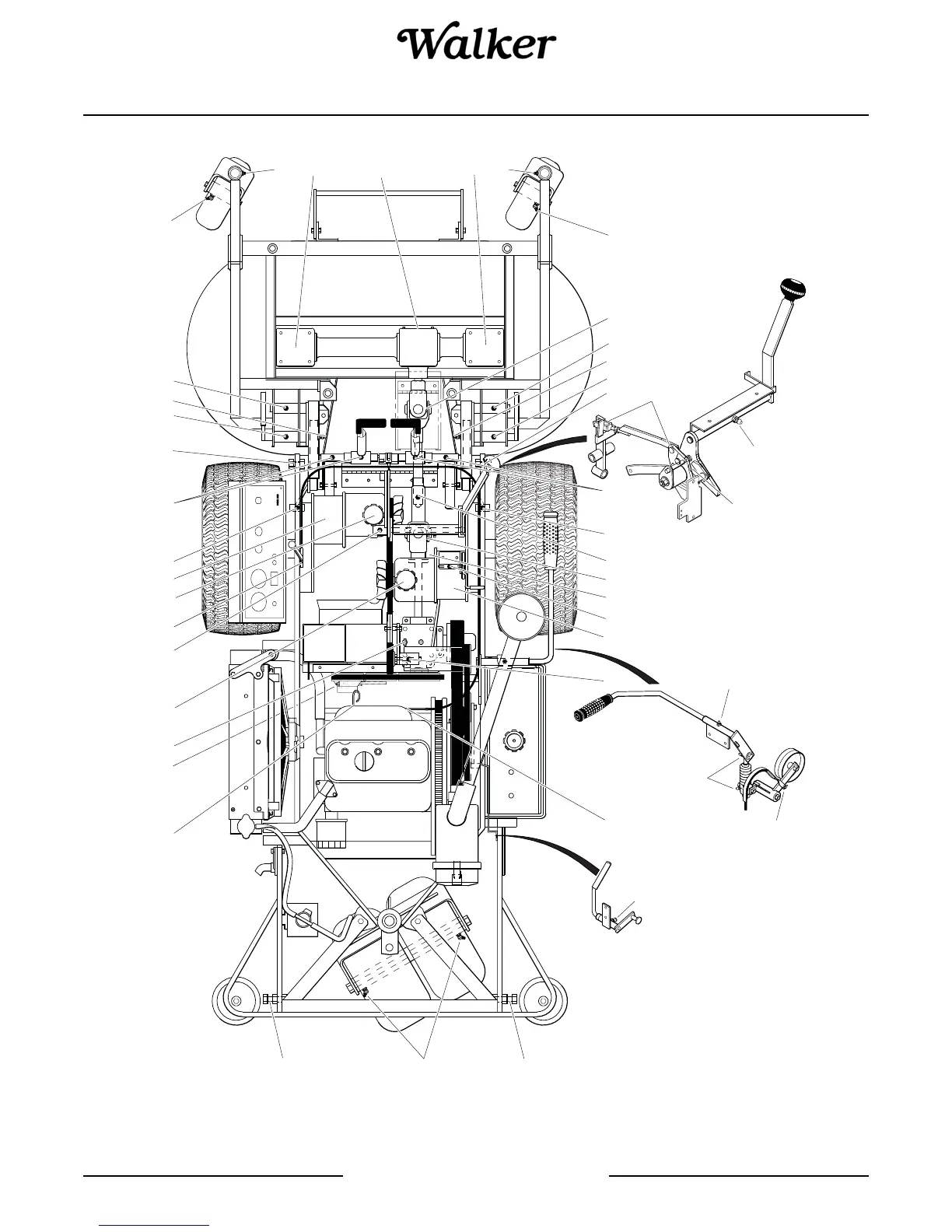
Chassis and Deck Lubrication Points - Model MD

Table of Contents

Other manuals for Walker MTL

Related product manuals