EasyManua.ls Logo

WALTCO WDV - Dual Pump, Single Relay

WALTCO WDV
48 pages
Print Icon
To Next Page IconTo Next Page
To Next Page IconTo Next Page
To Previous Page IconTo Previous Page
To Previous Page IconTo Previous Page
Loading...
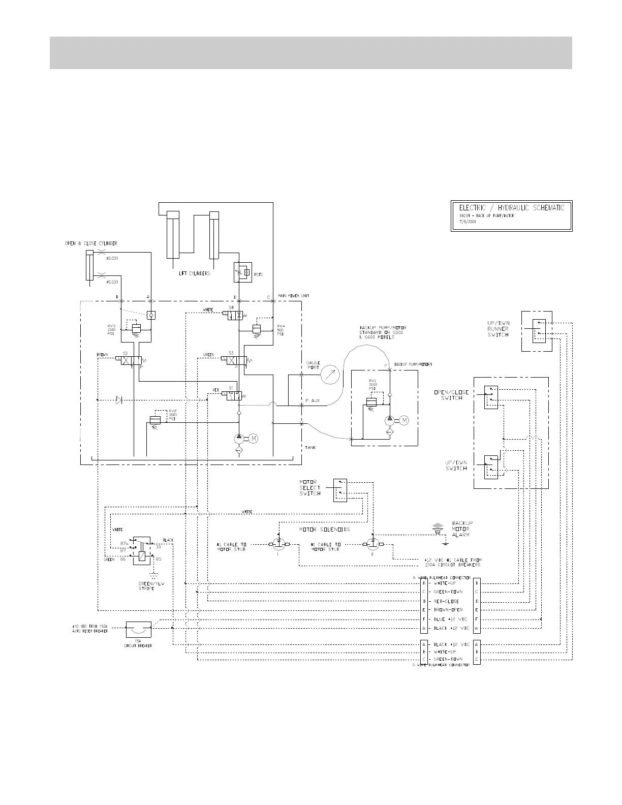
Electric / Hydraulic Schematics
Built from 4/09 thru 10/11
Dual Pump Motor with
Back Up/Auxiliary
Single Relay
20