EasyManua.ls Logo

WALTCO WDV - Gravity Down Schematics; Single Power Unit

WALTCO WDV
48 pages
Print Icon
To Next Page IconTo Next Page
To Next Page IconTo Next Page
To Previous Page IconTo Previous Page
To Previous Page IconTo Previous Page
Loading...
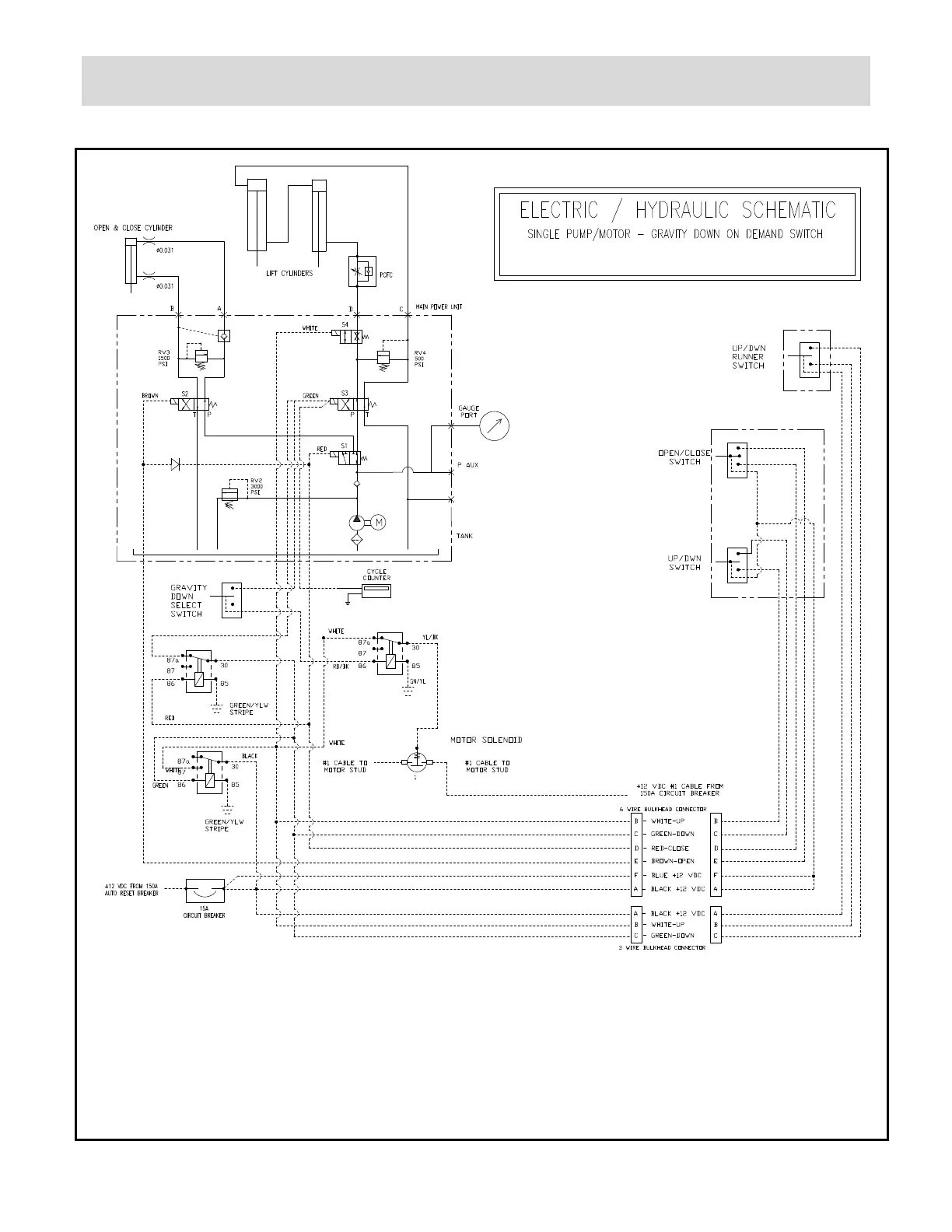
Gravity Down On Demand Schematics
POWER UNIT HYDRAULIC/ELECTRICAL SCHEMATIC - SINGLE POWER UNIT – GRAVITY DOWN ON
DEMAND
REF 80101585 REV04
26