EasyManua.ls Logo

WALTCO WDV - Dual Power Unit

WALTCO WDV
48 pages
Print Icon
To Next Page IconTo Next Page
To Next Page IconTo Next Page
To Previous Page IconTo Previous Page
To Previous Page IconTo Previous Page
Loading...
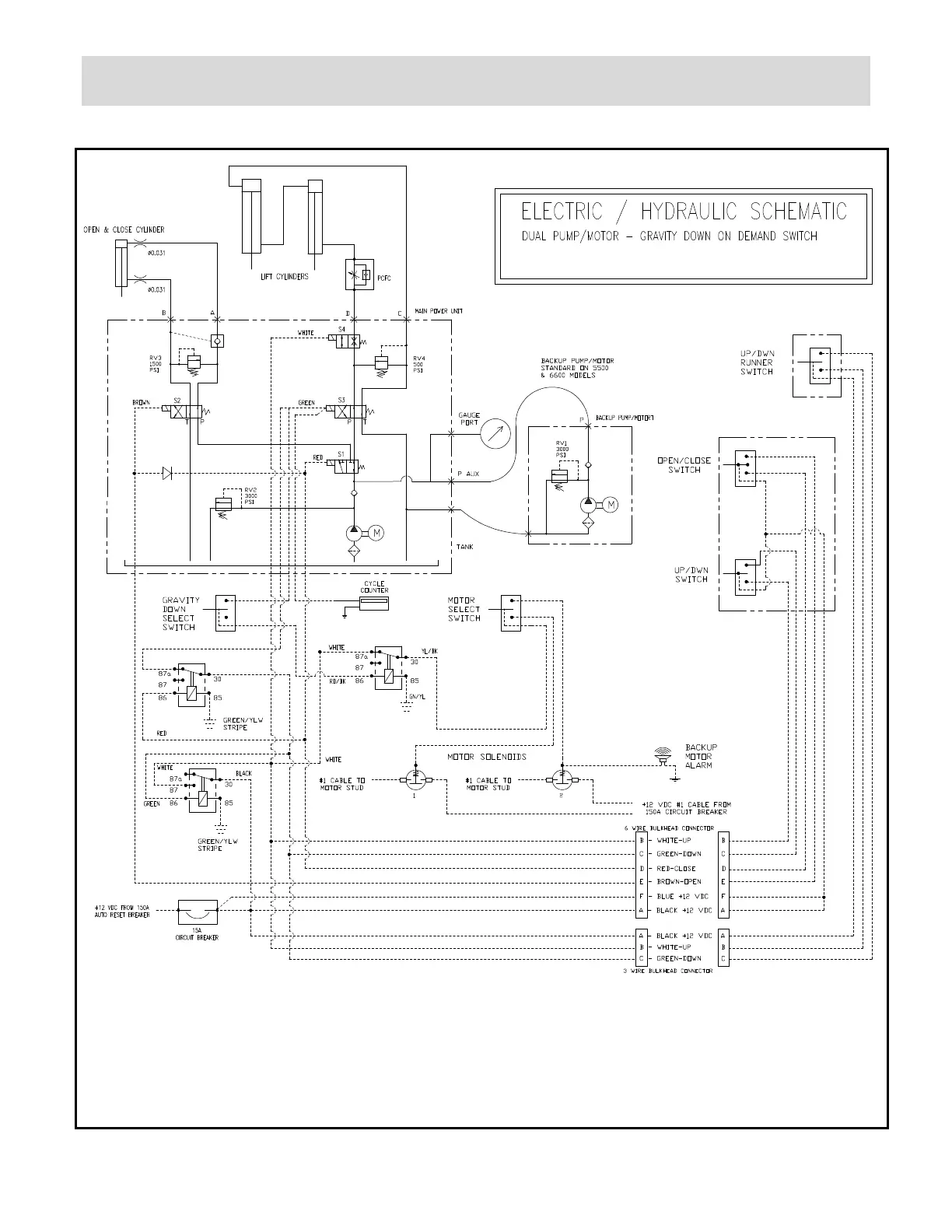
Gravity Down On Demand Schematics
POWER UNIT HYDRAULIC/ELECTRICAL SCHEMATIC - DUAL PUMP MOTOR WITH BACKUP/AUXILLARY
GRAVITY DOWN ON DEMAND
REF 80101582 REV04
27