EasyManua.ls Logo

WALTCO WDV - Dual Pump, Dual Relay

WALTCO WDV
48 pages
Print Icon
To Next Page IconTo Next Page
To Next Page IconTo Next Page
To Previous Page IconTo Previous Page
To Previous Page IconTo Previous Page
Loading...
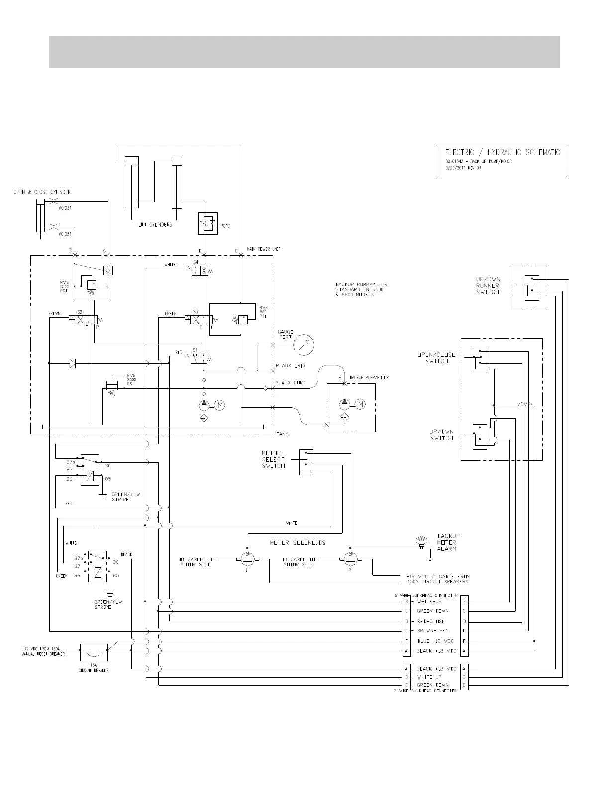
Electric / Hydraulic Schematics
Built from 10/11
Dual Pump Motor with
Backup/Auxiliary
Dual Relay
22