EasyManua.ls Logo

WarmFlow DI110UV - Page 28

WarmFlow DI110UV
38 pages
Print Icon
To Next Page IconTo Next Page
To Next Page IconTo Next Page
To Previous Page IconTo Previous Page
To Previous Page IconTo Previous Page
Loading...
Page 26 of 34
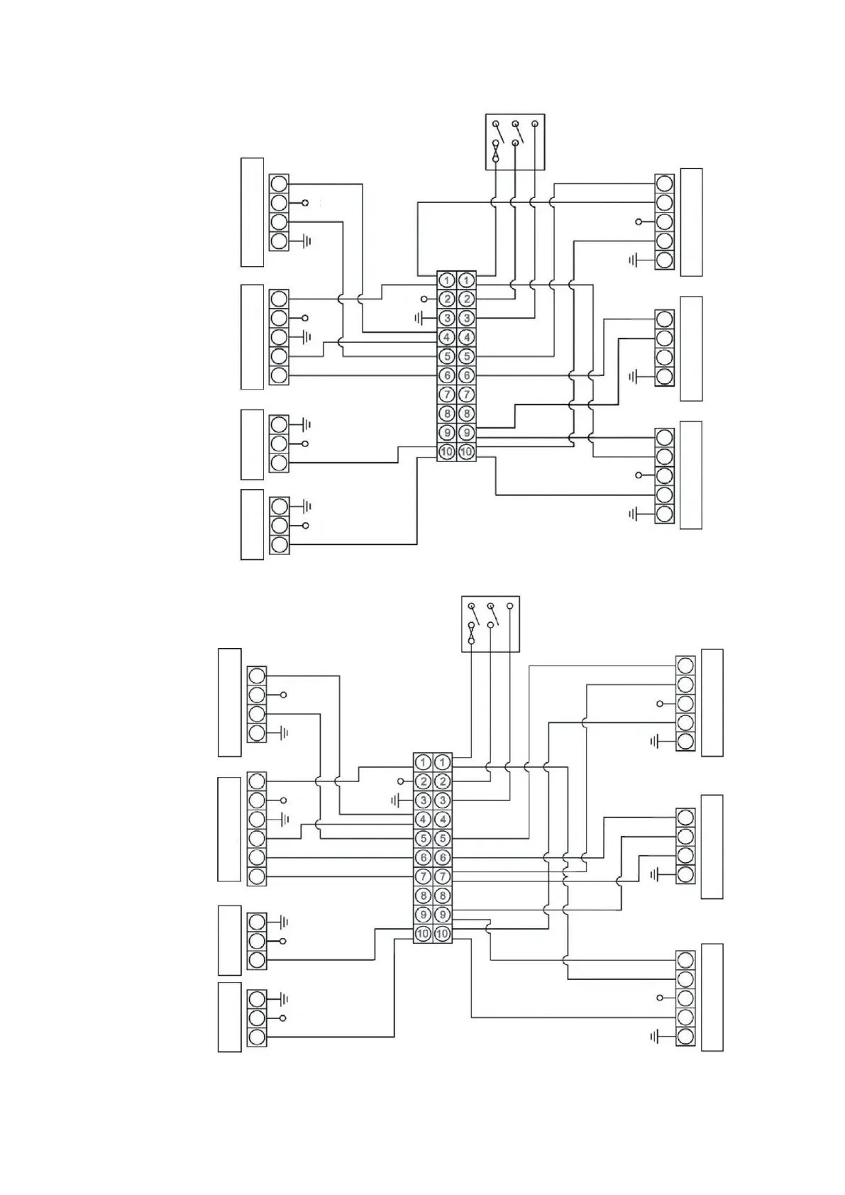
6.11.7 System controls
Figure 10: S-plan system wiring
Figure 11: Y-plan system wiring
N
N
N
2
E
E
E
E
L
L
L
X
Y
1
3
L
G
N
E
3
2
B
E
O
N
G
L
E
O
Pump
Boiler
Programmer
Room
Thermos
tat
Heating Zone Valve
Cylinder
Thermos
tat
HW Zone Valve
5 Amp Fused
Spur Isolator
Live (L)
Neutral (
N)
Earth (
E)
Heating On (
X)
Hot Water On (Y)
L N E
N
N
N
N
N
N
N
L
G
N
E
3
2
B
E
O
N
G
W
E
O
N
N
N
2
E
E
E
E
L
L
L
X
Y
1
3
Z
Room
Thermos
tat
Programmer
Boiler
Pump
HW Zone Valve
Cylinder
Thermos
tat
Mid-position Valve
5 Amp Fused
Spur Isolator
Live (L)
Neutral (
N)
Earth (
E)
Heating On (
X)
Hot Water On (
Y)
Hot Water Off (
Z)
L N E
N
N
N
N
N
N
N