EasyManua.ls Logo

WarmFlow Utility U120HE - Page 41

Default Icon
92 pages
Print Icon
To Next Page IconTo Next Page
To Next Page IconTo Next Page
To Previous Page IconTo Previous Page
To Previous Page IconTo Previous Page
Loading...
Page 39
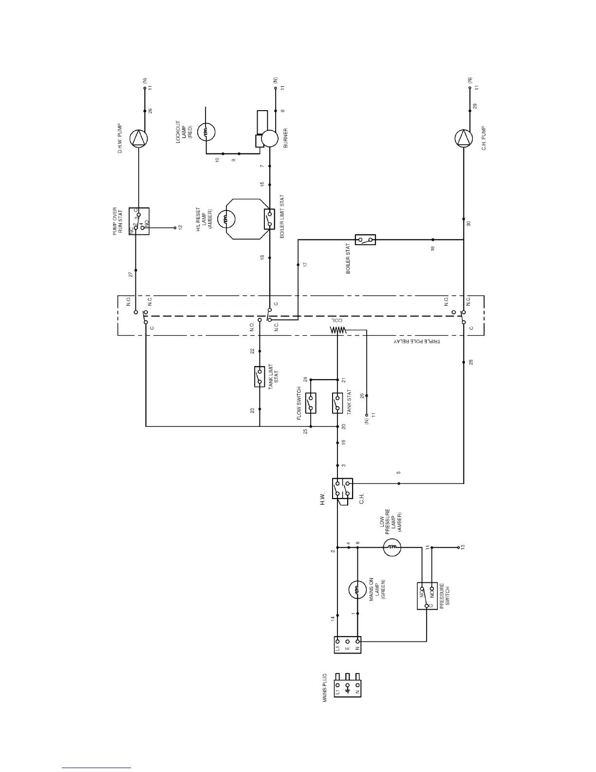
6.3.2 Wiring Schematic

Table of Contents

Related product manuals