EasyManua.ls Logo

Warn 3000ACI - Vinschmontering På Fast Plats; Mall För Hål I Monteringsplatta

Warn 3000ACI
144 pages
Print Icon
To Next Page IconTo Next Page
To Next Page IconTo Next Page
To Previous Page IconTo Previous Page
To Previous Page IconTo Previous Page
Loading...
PAGE 120 85366 Rev. A0
Vinschmontering på fast plats
VARNING
Risk för vinschfel
Om instruktionerna inte följs finns risk för mer eller mindre allvarliga skador.
Välj alltid en monteringsplats som är tillräckligt stadig för att klara de laster du tänker
vinscha.
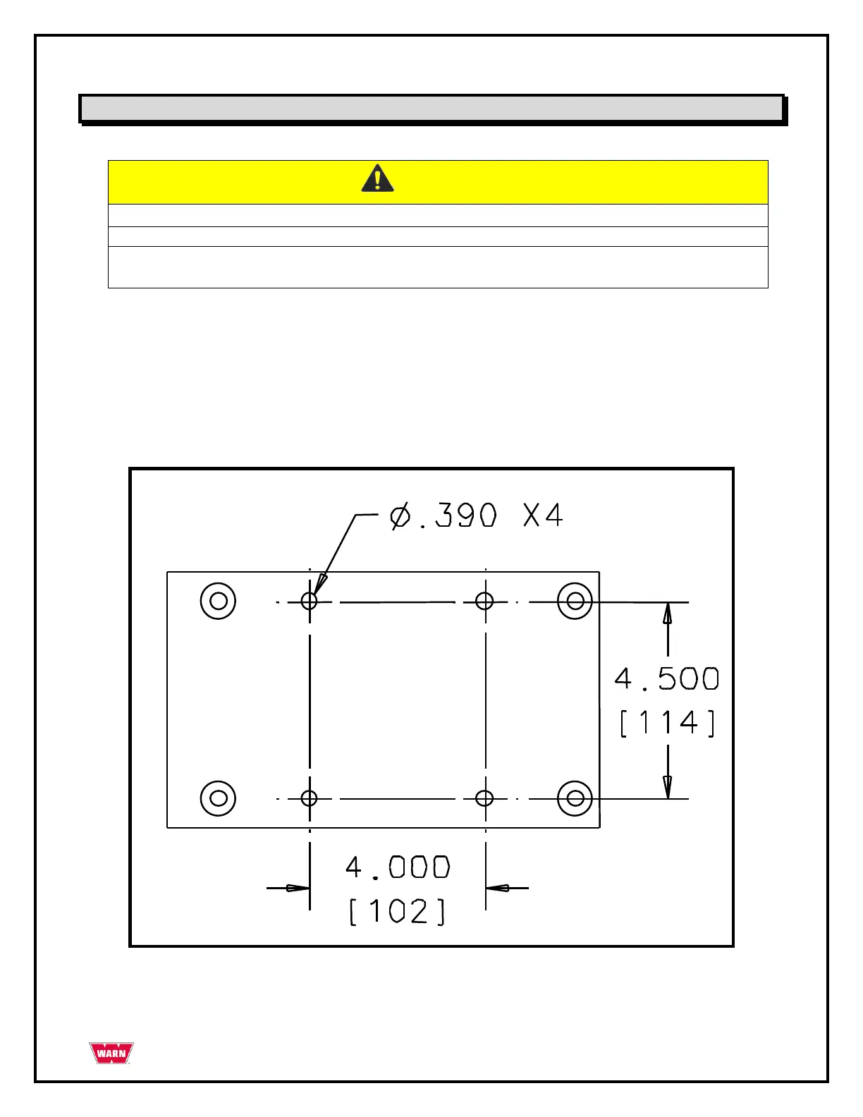
3000ACI kan monteras på en fast plats genom användning av vinschenhetens mall för monteringshål.
Välj först ut en monteringsplats som är tillräckligt stadig för att klara de laster du tänker vinscha.
Borra sedan tre hål enligt dimensioner, som specificeras i ritningen nedan.
Mall för hål i monteringsplatta

Table of Contents

Related product manuals