EasyManua.ls Logo

Wavetek 132 - Page 27

Default Icon
52 pages
Print Icon
To Next Page IconTo Next Page
To Next Page IconTo Next Page
To Previous Page IconTo Previous Page
To Previous Page IconTo Previous Page
Loading...
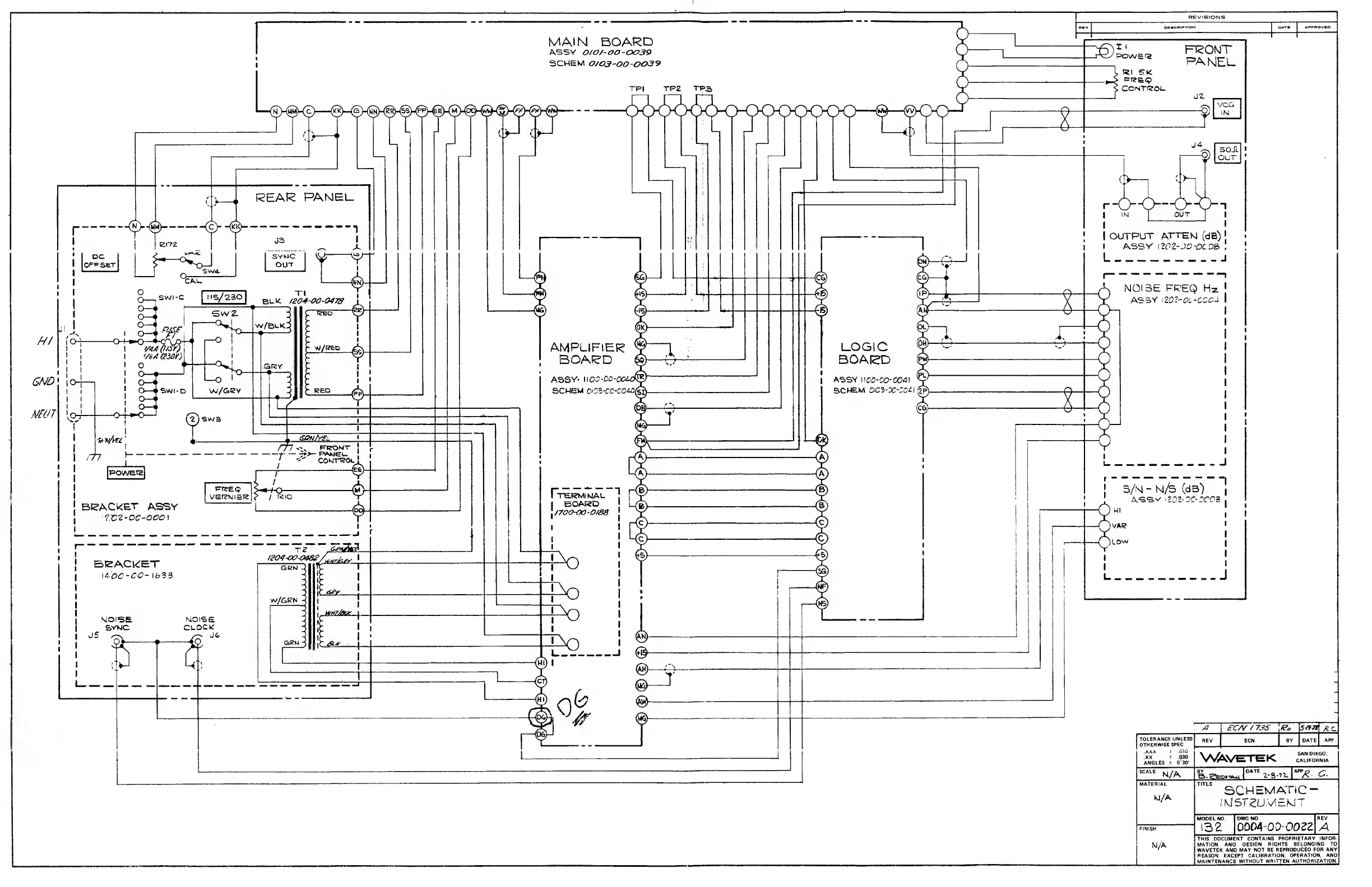
PT?EQ
ver?KiiEi?
BRACKET ASSY
mz-cc-ocos

Other manuals for Wavetek 132

Related product manuals