EasyManua.ls Logo

Wayne EHASR-DC - Reference Figures

Wayne EHASR-DC
38 pages
Print Icon
To Next Page IconTo Next Page
To Next Page IconTo Next Page
To Previous Page IconTo Previous Page
To Previous Page IconTo Previous Page
Loading...
36
REFERENCE FIGURES
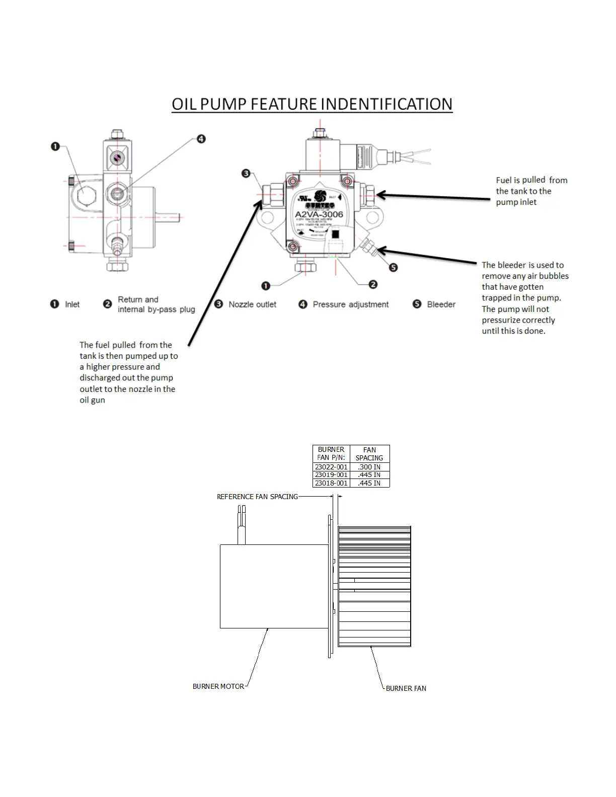
Figure 25- Pump Feature Identification
Figure 26 Blower Wheel Spacing

Related product manuals