EasyManua.ls Logo

Webasto KK2000 E - Circuit Diagram

Webasto KK2000 E
30 pages
Print Icon
To Next Page IconTo Next Page
To Next Page IconTo Next Page
To Previous Page IconTo Previous Page
To Previous Page IconTo Previous Page
Loading...
Roof-Mounted Air Conditioner KK2000 E
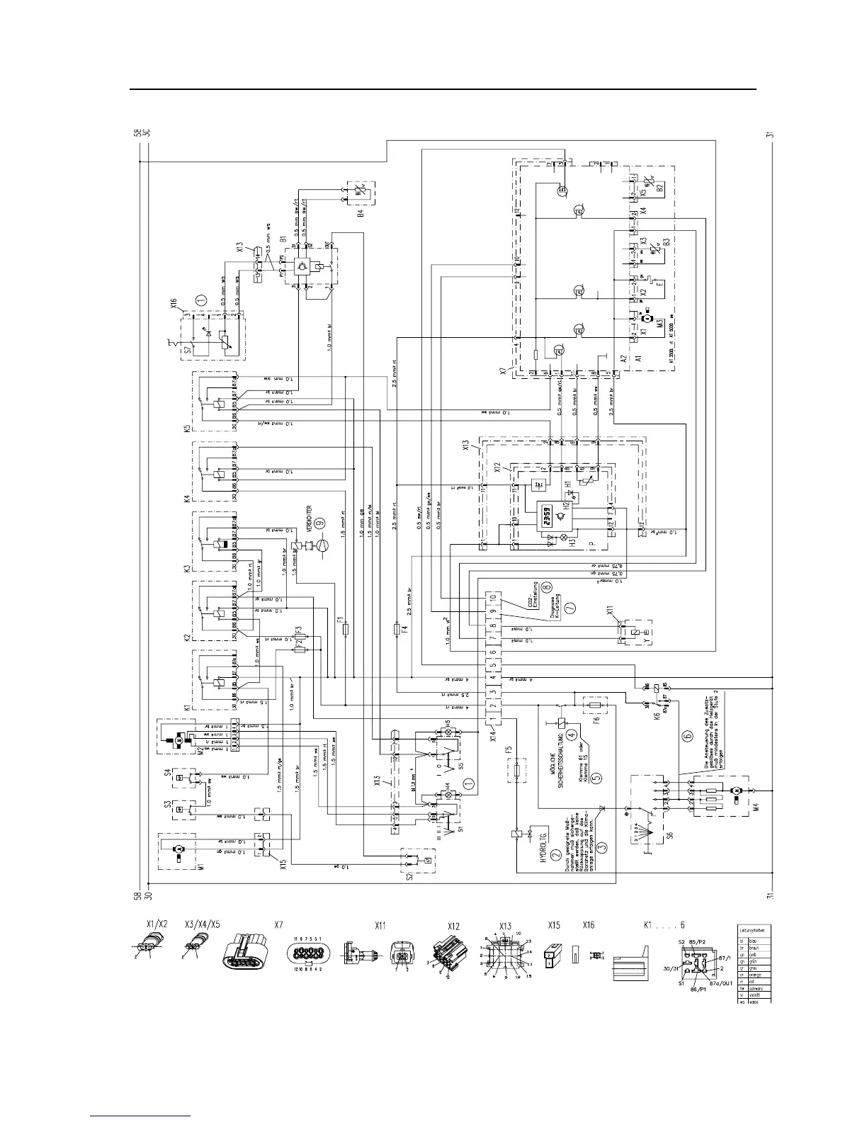
3.3 Circuit Diagram
Figure 3.1.
Page 16 / 30

Related product manuals