EasyManua.ls Logo

Weider PRO 9930 - Page 20

Weider PRO 9930
31 pages
Print Icon
To Next Page IconTo Next Page
To Next Page IconTo Next Page
To Previous Page IconTo Previous Page
To Previous Page IconTo Previous Page
Loading...
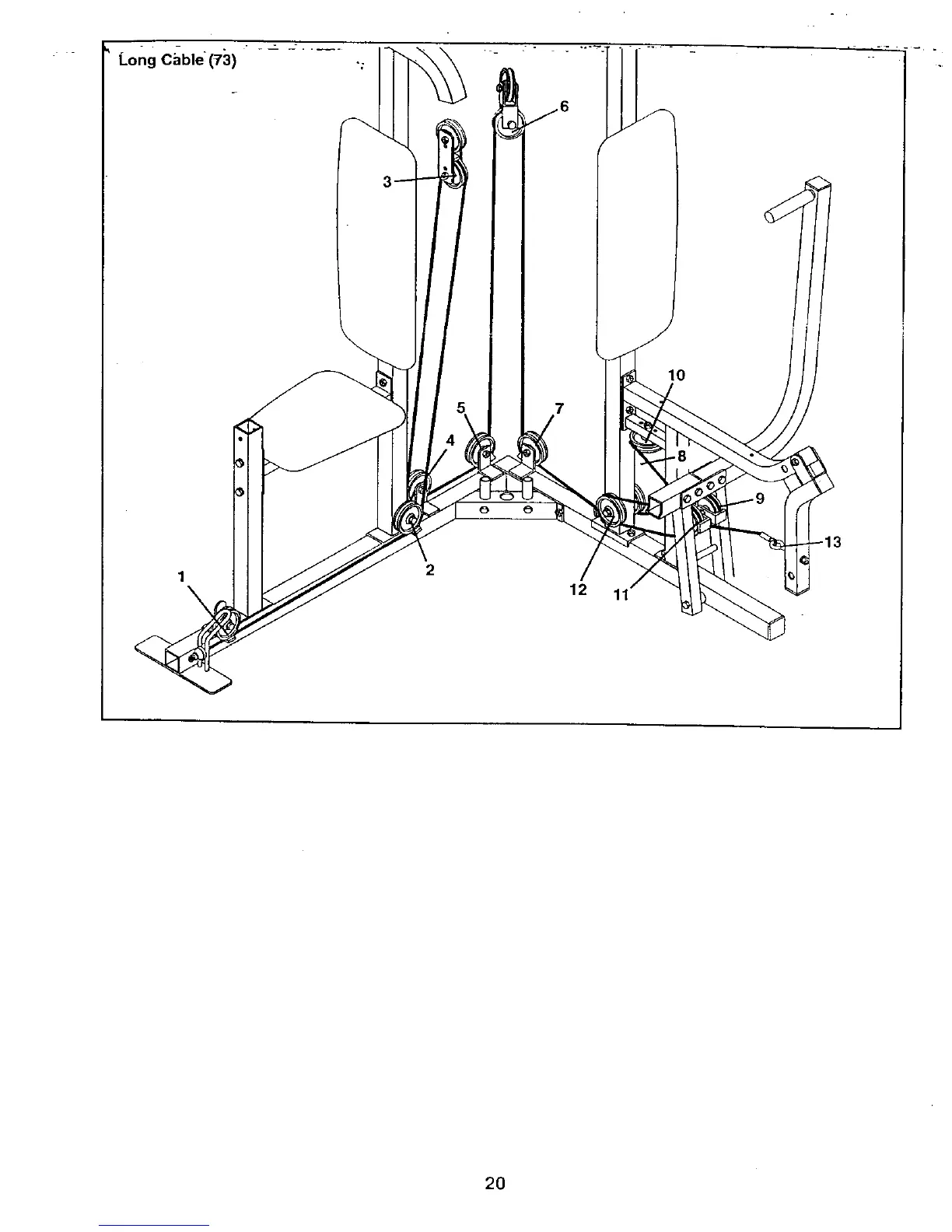
Long Cable; (73)
2
7
12
10
,--4 _ =
2O

Related product manuals