EasyManua.ls Logo

WEISS TS 004 E - Page 20

Default Icon
24 pages
Print Icon
To Next Page IconTo Next Page
To Next Page IconTo Next Page
To Previous Page IconTo Previous Page
To Previous Page IconTo Previous Page
Loading...
20
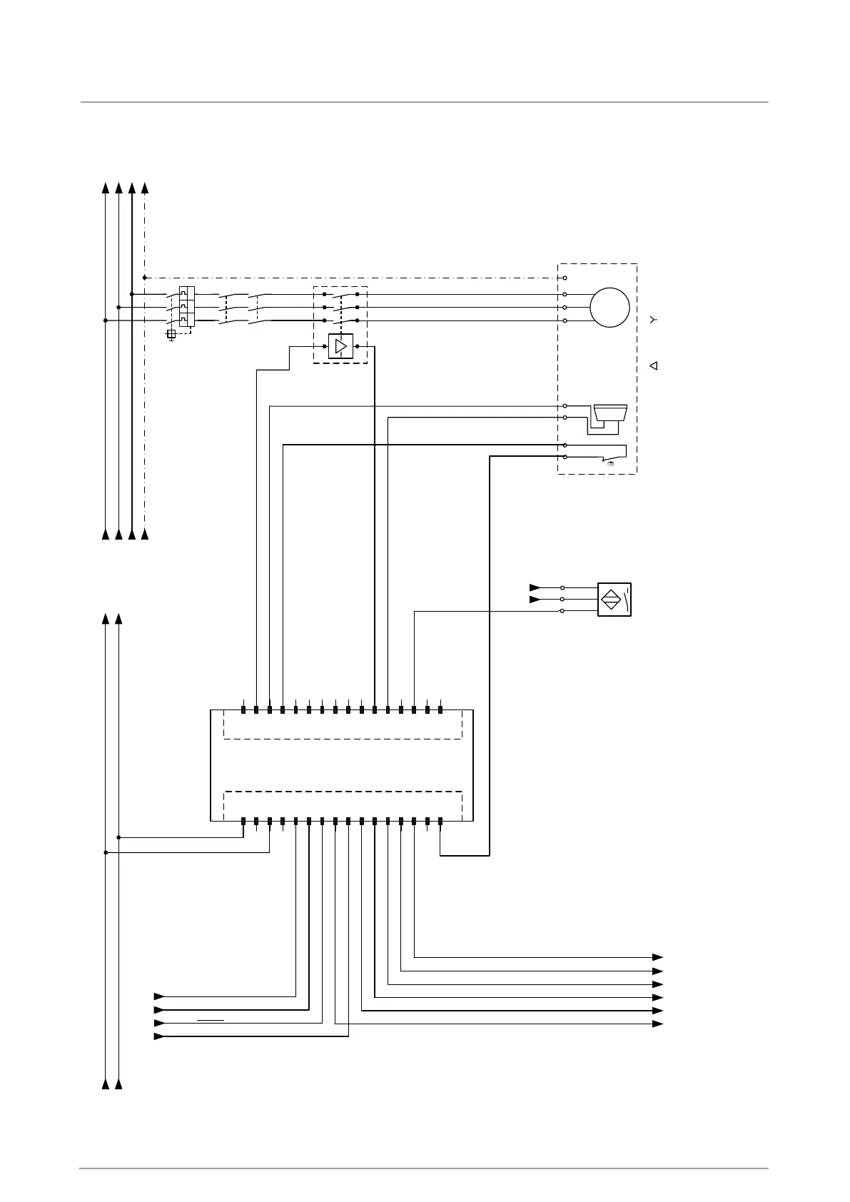
GND
+ 24V
L2
L1
L3
L2
L1
L3
PE
PE
TS 004
F
G
M
E
D
C
B
A
+
+
+
+
-
-
-
-
Limit switch
Indexer in position
black
brown
blue
24V
GND
brown
blue
white
white
M
3~
Motor:
See motor name plate
Schematic: one direction
U
V
W
PE
10
H
T
9
8
7
6
5
4
3
2
1
+
+
-
-
230V / 400V
Table in position
Start permitted
Sum of alarms
Alarm: Timeout (overload)
Motor ON
Brake
Sensor
Alarm: Position overrun
Automatic
Stop
Start (edge)
Enable (RESET/STOP)
Direction CW/CCW
I>
I>
I>
K 0.1
K 0.2
-K 1.0
1
3 5
2 4 6
A2
A1
Q 1.0
Electronic relay
One direction
E-Stop
Motor protection
switch

Related product manuals