EasyManua.ls Logo

Welch 8905 - Page 37

Default Icon
46 pages
Print Icon
To Next Page IconTo Next Page
To Next Page IconTo Next Page
To Previous Page IconTo Previous Page
To Previous Page IconTo Previous Page
Loading...
37
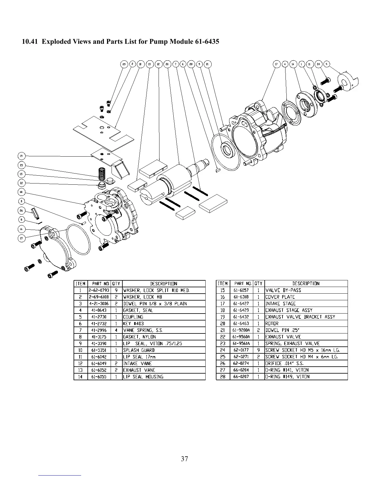
10.41 Exploded Views and Parts List for Pump Module 61-6435

Table of Contents

Related product manuals