Home
Weldmatic
Welding System
215
Page 15 (Power Source)
Weldmatic 215 - Power Source
21 pages
Manual
Save Page as PDF
To Next Page
To Next Page
To Previous Page
To Previous Page
Loading...
Weldmatic 215
Operators Manual
Model No. CP111-0, Iss A 02/05
15
Quality
, Reliability
, Performance
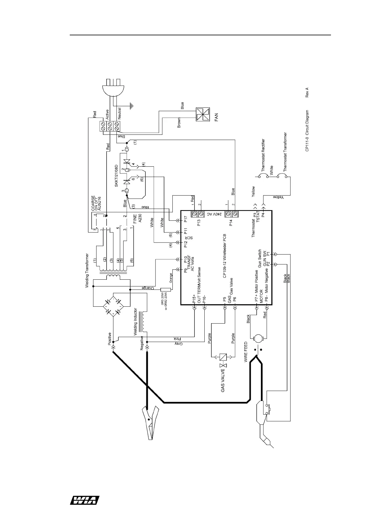
10-1 Circuit Diagrams - Power Sour
ce
Fig 8
Power Source Circuit Diagram
14
16
Table of Contents
Main Page
Table of Contents
2
Safe Practices
3
Introduction
5
Receiving
5
Specifications
6
Controls
7
Installation
8
Normal Welding Sequence
10
Basic Welding Information
10
General Maintenance
12
Trouble Shooting
13
Service Information
14
Power Source
15
Wirefeed Assembly
17
Gun and Cable Assembly
19
Warranty Information
21
Related product manuals
Weldmatic W65 4RD
28 pages
Weldmatic W66 4RD
28 pages