EasyManua.ls Logo

Wen 34034 - SHAPING INSIDE OF BOWL OR PLATE; TROUBLESHOOTING GUIDE; ERROR CODE TROUBLESHOOTING

Wen 34034
24 pages
Print Icon
To Next Page IconTo Next Page
To Next Page IconTo Next Page
To Previous Page IconTo Previous Page
To Previous Page IconTo Previous Page
Loading...
20
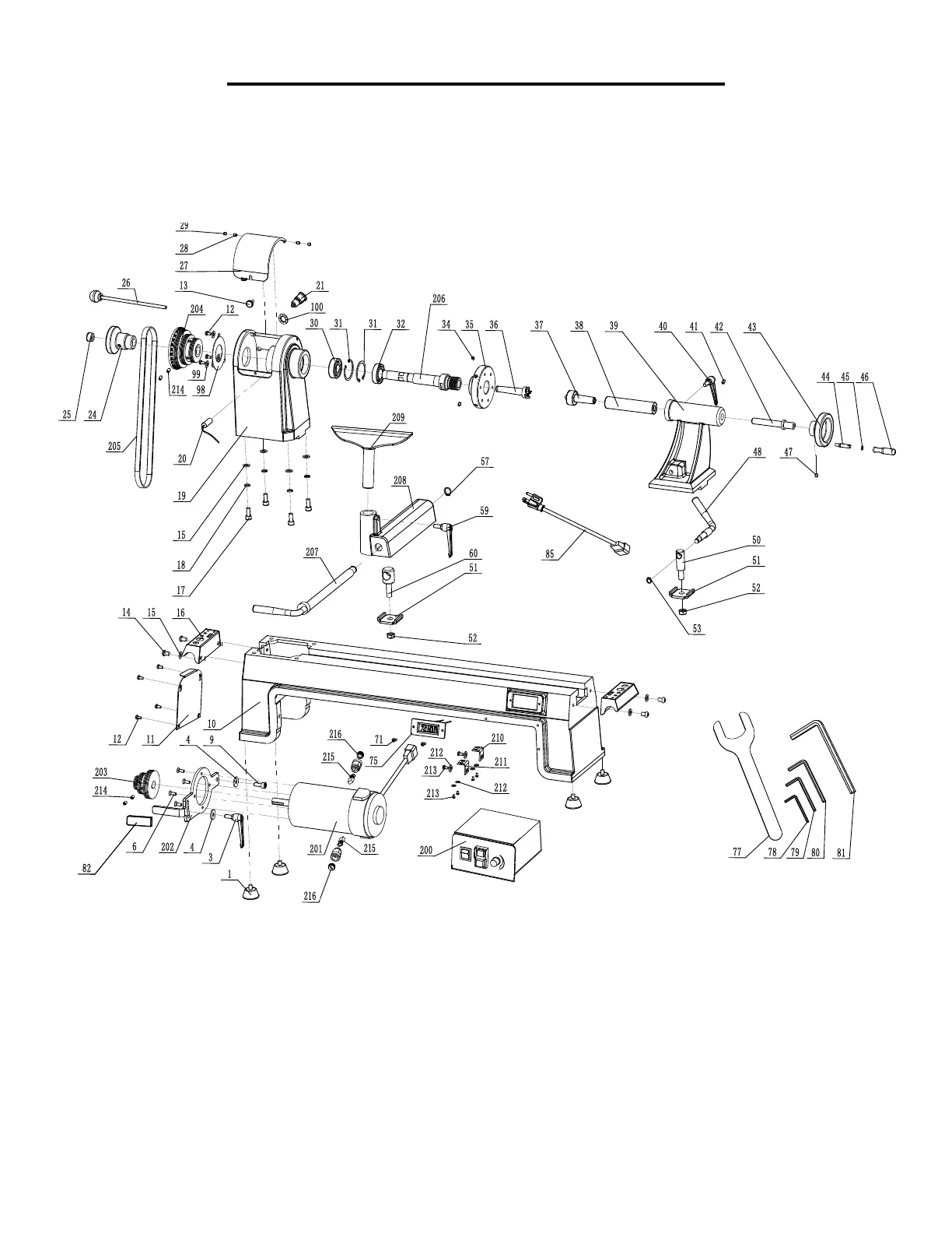
EXPLODED VIEW & PARTS LIST

Other manuals for Wen 34034

Related product manuals