EasyManua.ls Logo

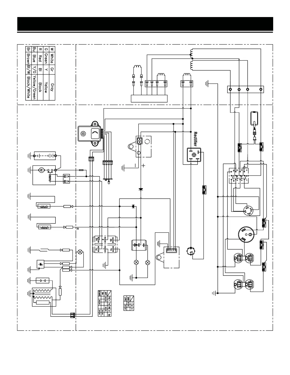
Wen DF8000X - GENERATOR WIRING DIAGRAM

Wen DF8000X
48 pages
Print Icon
To Next Page IconTo Next Page
To Next Page IconTo Next Page
To Previous Page IconTo Previous Page
To Previous Page IconTo Previous Page
Loading...
WIRING DIAGRAM
38
Red 12AWG
White 12AWG
Brown 12AWG
Black 12AWG
20A
20A
25A
25A
CONTROL PANEL BLOCK
8.3A
Yellow/Green 12AWG Yellow/Green 12AWG Yellow/Green 12AWG
White
12AWG
Red 12AWG
Red 16AWG
Black 16AWG
Yellow/Green
10AWG
30A
White 12AWG
Yellow/Green 8AWG
Red 12AWG
Red 10AWG
White 12AWG
Red 12AWG
White 12AWG
Brown 12AWG
Black
12AWG
Red 12AWG
White 12AWG
Red
10AWG
White
12AWG
Red
12AWG
Red
12AWG
120V 240V
R
Br
W
Bl
Main Winding (I)
Main Winding (II)
DC Winding
Gr 16AWG
Gr 16AWG
Gr
Gr
GENERATOR BLOCK
Field Winding
Exciter
Winding
R
GG
W
WW
BuBu
BuBu
AVR
BrBr
GrGr
Bu
Bu
Battery Charging
Module
Br
12V/2A
Y/G
O
CO Indicator and Reset Switch
Y
Bu
G
R
R
CO Sensor
Fuse 5A
Bl/WWR
R
W
WW
Br
W
Y/G
Battery Starter LPG
Solenoid
Gas
Solenoid
Ignition
Coil
Spark
Plug
Oil Level
Sensor
Oil Level
Switch
O
O
Bl
R
Low Oil
LED
YY
R
Bl
WBlBl
RBl
Bl
ENGINE BLOCK
LPG LED
Gas LED
G
GO
R
Bl
Y/G
12V 8.3A
Engine Switch Connection
Fuel Selector
Switch Connection
Multi-Meter
Voltage Selector Switch
DC Automotive
Outlet
Engine
Switch

Related product manuals