EasyManua.ls Logo

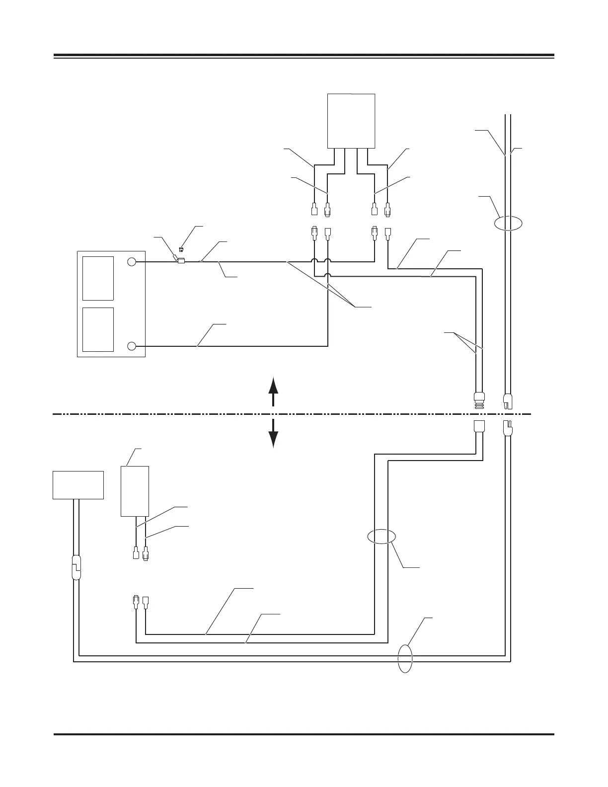
Western 110 - 2-PIN HARNESS WIRING DIAGRAM

Western 110
20 pages
Print Icon
To Next Page IconTo Next Page
To Next Page IconTo Next Page
To Previous Page IconTo Previous Page
To Previous Page IconTo Previous Page
Loading...
Lit. No. 68660/68661, Rev. 06 17 October 1, 2018
CHMSL
White
Vehicle
Harness
White
Black
Orange
Black
Black
White
Black
Battery
Motor
+
_
Battery
Harness
Spreader
Harness
Fuse
Fuse Holder
Butt
Connector
Red
Power Lead
Black
To
CHMSL
Vehicle
Stoplight
Harness
CHMSL
Extension
Cord
White
Black
Red
Black
Speed
Control
12V DC (0.4kW motor)
Vehicle Wiring Harness
Spreader Wiring Harness
2-PIN HARNESS WIRING DIAGRAM – LOW-PROFILE SPREADERS

Related product manuals