EasyManua.ls Logo

Westinghouse iPro4200 - Schematic

Westinghouse iPro4200
32 pages
Print Icon
To Next Page IconTo Next Page
To Next Page IconTo Next Page
To Previous Page IconTo Previous Page
To Previous Page IconTo Previous Page
Loading...
Westinghouse Portable Power | 29
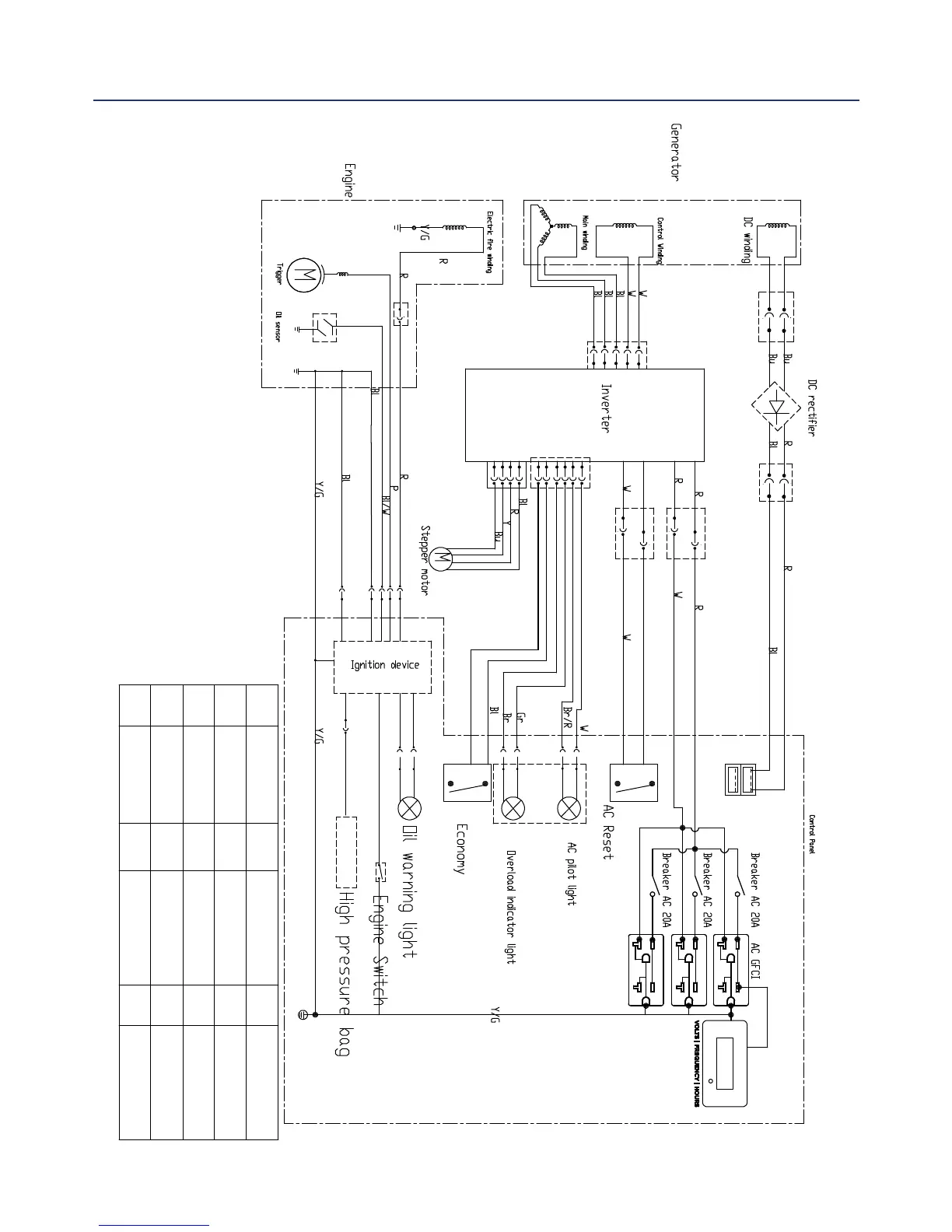
iPro4200 SCHEMATIC
W
1
V
1
U
1
Bu
Bl
Bu
Black
Blue
Gr Green
R Red
Br Brown
Br/R Brown red
Y/G Yellow green
Bl/W Black witch
W Witch
Y Yellow
Bl/R Black red
P Pink
Bu
Bu
1 2
3
4
Grounding
BlBl
1 2
3
4
USB DC 5V 1.0A
USB DC 5V 2.1A
00: 00

Related product manuals