EasyManua.ls Logo

Whirlpool AWM 243 - Rear and Base Components

Whirlpool AWM 243
10 pages
Print Icon
To Next Page IconTo Next Page
To Next Page IconTo Next Page
To Previous Page IconTo Previous Page
To Previous Page IconTo Previous Page
Loading...
SERVICE
Whirlpool Europe AWM 243 23.07.1999 / Page 7
Customer Service 8570 243 42001 Doc. No: 4812 712 14543
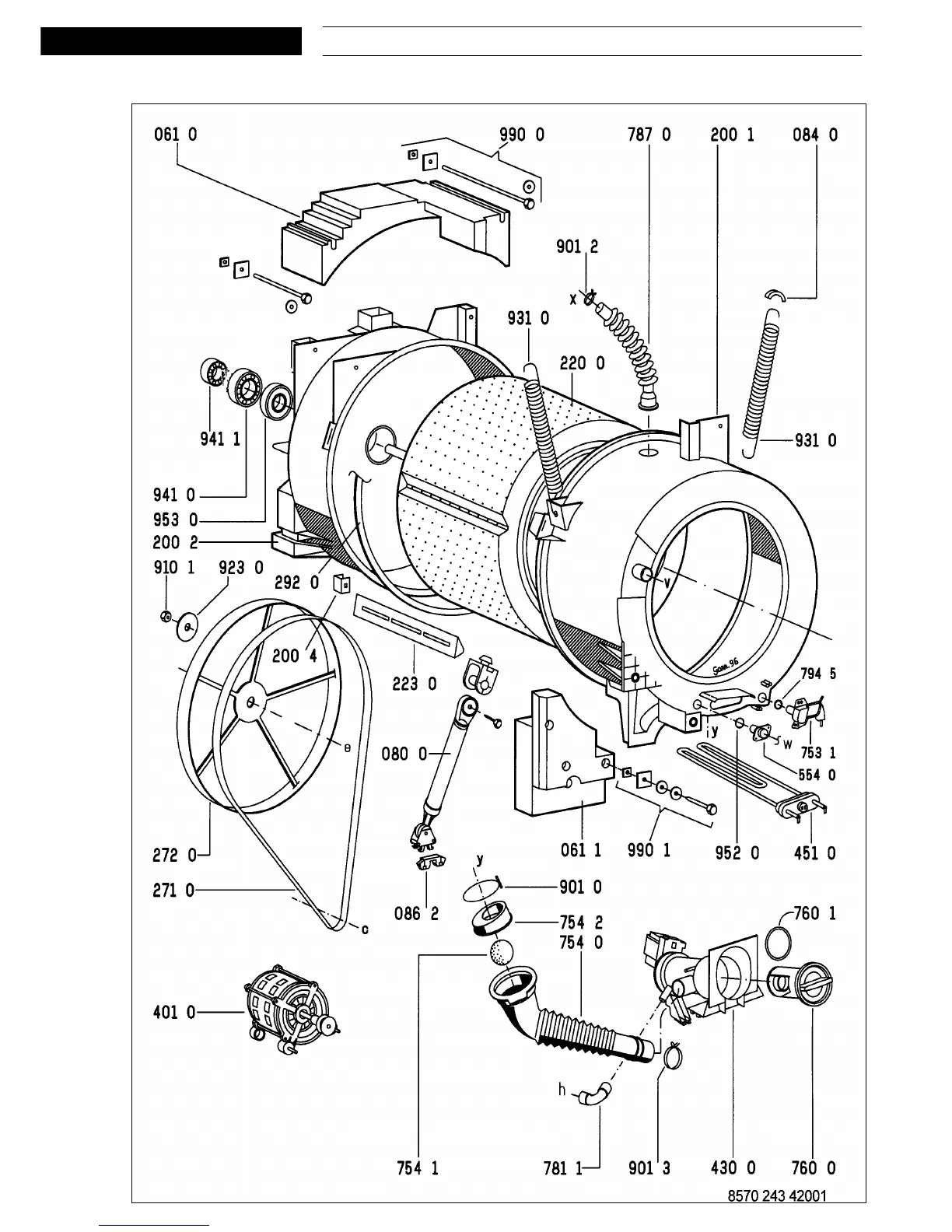
Exploded view

Related product manuals