EasyManua.ls Logo

Whirlpool GBS277PDB - Schematics and Pinouts

Whirlpool GBS277PDB
60 pages
Print Icon
To Next Page IconTo Next Page
To Next Page IconTo Next Page
To Previous Page IconTo Previous Page
To Previous Page IconTo Previous Page
Loading...
7-2
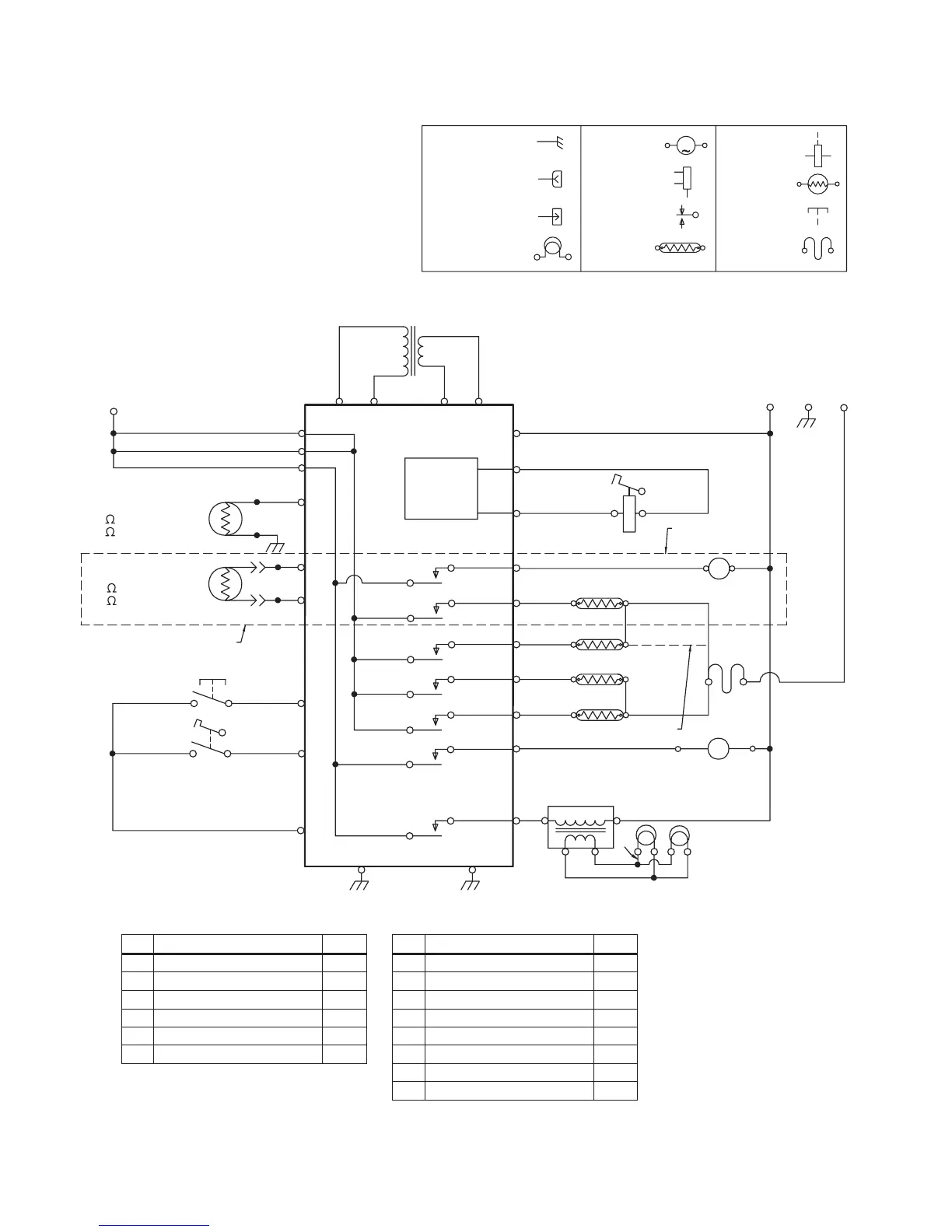
SCHEMATIC DIAGRAM
M
~
M
~
L2N
L1
CONTROL POWER
TRANSFORMER
CONV. FAN
CONV.-1600W
BAKE-2000W
OUT BROIL-1000W
IN BROIL-1667W
HALOGEN
LATCH
SWITCH
DOOR ON LATCH ASSY
SWITCH
BR
BU
V
Y
GN
W
W
W
OR
Y
R
BU
OR
GY
BK
BK
GN
W
Y
R
BU
OR
5W/BULB
BK
W
LIGHT POWER SUPPLY
t°
t°
BK
(OPERATED BY
SOLENOID)
GND
BK
P4-1
P4-2
P1-1
P7-4
P7-8
P7-7
P7-2
P7-3
P7-6
P1-3
P6-2
P1-6
P5-3
P5-4
P5-1
P5-2
P1-5
P1-9
RETURN LINE MUST BE CONNECTED
P7-1
W
W
W
W
TA N
TA N
W
BK
W
R
W
DOOR LOCK
SOLENOID
BK
BLOWER
P3-5 P3-7 P3-2 P3-3
LATCH
DRIVE
CIRCUIT
+
P6-1
Y
+
18V DC
SOLENOID
GN
P3-1
THERMAL CONVECTION
MODELS ONLY
THERMAL CONVECTION
MODELS ONLY
BU
BU
R
R
NON-CONVECTION
MODELS ONLY
GN
ELECTRONIC
CONTROL
TEMP SENSOR
1080
AT 21 70°F)° C(
1654
AT 177 350°F)° C(
MEAT PROBE
78k
AT 15.6 0° F)°C(6
37k
AT 32.2 0° F)°C(9
THERMAL
FUSE/T.O.D.
GROUND (CHASSIS)
PLUG WITH FEMALE
CONNECTOR
RECEPTACLE WITH
MALE CONNECTOR
LIGHT
AC DRIVE
MOTOR
RELAY
CONTACTS
HEATING
ELEMENT
SOLENOID
ENCLOSED
THERMISTOR
OPERATED
BY DOOR
RELAY COIL
M
t
°
PIN FUNCTION COLOR
P6-1 LATCH SOLENOID (+ ) Y
P6-2 LATCH SOLENOID (
)W
P6-3 NOT CONNECTED
P6-4 NOT CONNECTED
P6-5 NOT CONNECTED
P6-6 NOT CONNECTED
PIN FUNCTION COLOR
P7-1 SWITCH COMMON (STROBE) TAN
P7-2 DOOR SWITCH BR
P7-3 LATCH SWITCH BU
P7-4 TEMP SENSOR V
P7-5 NOT CONNECTED
P7-6 GROUND GN
P7-7 MEAT PROBE SENSOR (GRND) GN
P7-8 MEAT PROBE SENSOR Y
ELECTRONIC CONTROL PINOUTS
PART NO. 4451876 REV. D
WIRE HARNESS SCHEMATIC
NOTES:
• When replacing the electronic control, be sure to
program the cavity size (see “Programming The
Cavity Size” on page 6-1).
• Dots indicate connections or splices.
• Circuit shown in STANDBY/OFF mode with
oven door closed.

Related product manuals