EasyManua.ls Logo

Whirlpool Pro Series - Page 7

Whirlpool Pro Series
28 pages
Print Icon
To Next Page IconTo Next Page
To Next Page IconTo Next Page
To Previous Page IconTo Previous Page
To Previous Page IconTo Previous Page
Loading...
7
Installation Requirements
FIG. 7
FIG. 8
SINGLE BYPASS VALVE
Pull out for “Service”
(Soft water)
Push in for
“Bypass”
3 VALVE BYPASS
From Water
Softener
To Water
Softener
Inlet
Valve
Outlet
Valve
Bypass
Valve
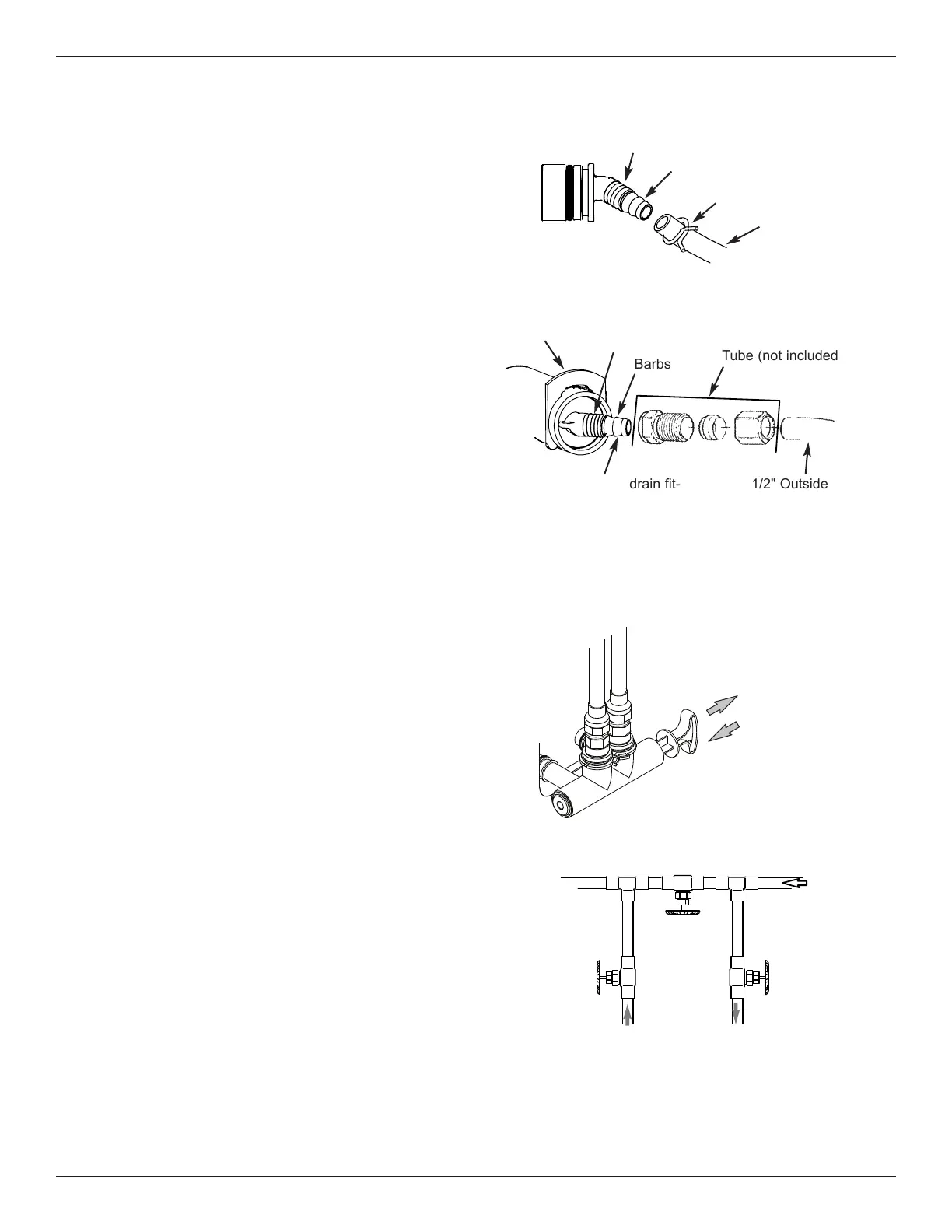
FIG. 5
FIG. 6
1/4" NPT
Thread
Clip
Barbs
1/4 NPT
Threads
1/2" Outside Dia.
Copper Tube
(not included)
Compression Fitting.
1/4 NPT x 1/2" O.D.
Tube (not included)
Cut barbs from drain fit-
ting (pull clip to remove
fitting from valve)
Barbs for 3/8"
I.D. Tubing
Drain Hose
Hose Clamp
VALVE DRAIN REQUIREMENTS
Using the flexible drain hose (included), measure and
cut to the length needed. Flexible drain hose is not
allowed in all localities (check your plumbing codes). If
local codes do not allow the use of a flexible drain
hose, a rigid valve drain run must be used. Purchase a
compression fitting (1/4 NPT x 1/2 in. minimum tube)
and 1/2" tubing from your local hardware store. Plumb
a rigid drain as needed (See Figure 6).
NOTE: Make the valve drain line as short and direct
as possible.
INLET / OUTLET PLUMBING OPTIONS
Always install either a single bypass valve (provided),
as shown in Figure 7, or, if desired, parts for a 3 valve
bypass system (not included) can be purchased and
assembled, as shown in Figure 8. Bypass valves allow
you to turn off the water to the softener for maintenance
if needed, but still have water in house pipes.
Use:
= Copper pipe
= Threaded pipe
= PEX (Crosslinked Polyethylene) pipe
= CPVC plastic pipe
= Other pipe approved for use with potable water
IMPORTANT: Do not solder with plumbing attached to
the single bypass valve. Soldering heat
will damage the plastic valve.

Related product manuals