EasyManua.ls Logo

Wildfire WF9000 - Hydraulic System Diagram Explained

Wildfire WF9000
30 pages
Print Icon
To Next Page IconTo Next Page
To Next Page IconTo Next Page
To Previous Page IconTo Previous Page
To Previous Page IconTo Previous Page
Loading...
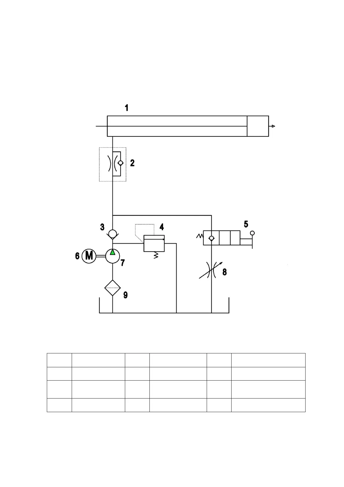
Four Post Parking Lift WF9000&WF9000XLT
Hydraulic diagram
Item
Name
Item
Name
Item
Name
1
Cylinder
4
Overflow valve
7
Gear pump
2
One-way
overflow valve
5
Unloading valve
8
Adjustable throttling
valve
3
One-way valve
6
Motor
9
Filter

Related product manuals