EasyManua.ls Logo

wsm M6040 - Air Conditioner

wsm M6040
588 pages
Print Icon
To Next Page IconTo Next Page
To Next Page IconTo Next Page
To Previous Page IconTo Previous Page
To Previous Page IconTo Previous Page
Loading...
ELECTRICAL SYSTEM
M6040, M7040, WSM
9-M17
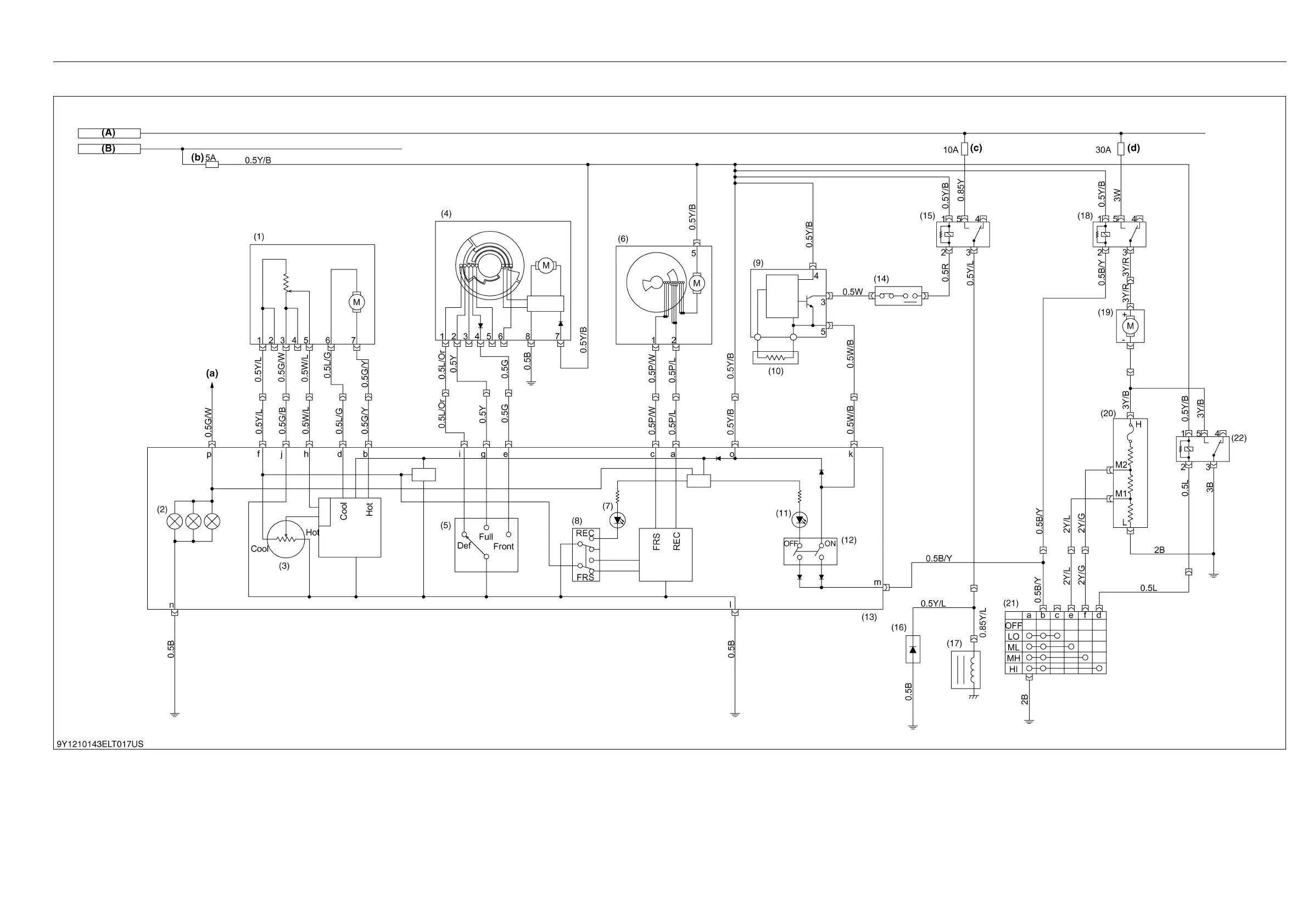
(8) Air Conditioner
(1) Servomotor Temperature Control
(2) Illumination Lamp (14 V, 1.96 W)
(3) Temperature Control Volume
(4) Servomotor Mode
(5) Mode Select Switch
(6) Servomotor FRS/REC
(7) F/R Indicator
(8) F/R Switch
(9) Thermo Amplifier
(10) Frost Thermistor
(11) A/C Indicator
(12) A/C Switch
(13) A/C Control Panel
(14) Dual Pressure Switch
(15) Compressor Relay
(16) Surge Cut Diode
(17) Magnetic Clutch Compressor
(18) Blower Relay
(19) Blower Motor
(20) Blower Motor Resistor
(A) Blower Motor
(B) Key ACC
(a) To Light Switch
(b) Fuse (Air Con: Control)
(c) Fuse (Air Con: Compressor)
(d) Fuse (Air Con: Fan Motor)
KiSC issued 07, 2012 A

Table of Contents

Related product manuals