EasyManua.ls Logo

wsm M6040 - Page 75

wsm M6040
588 pages
Print Icon
To Next Page IconTo Next Page
To Next Page IconTo Next Page
To Previous Page IconTo Previous Page
To Previous Page IconTo Previous Page
Loading...
GENERAL
M6040, M7040, WSM
G-54
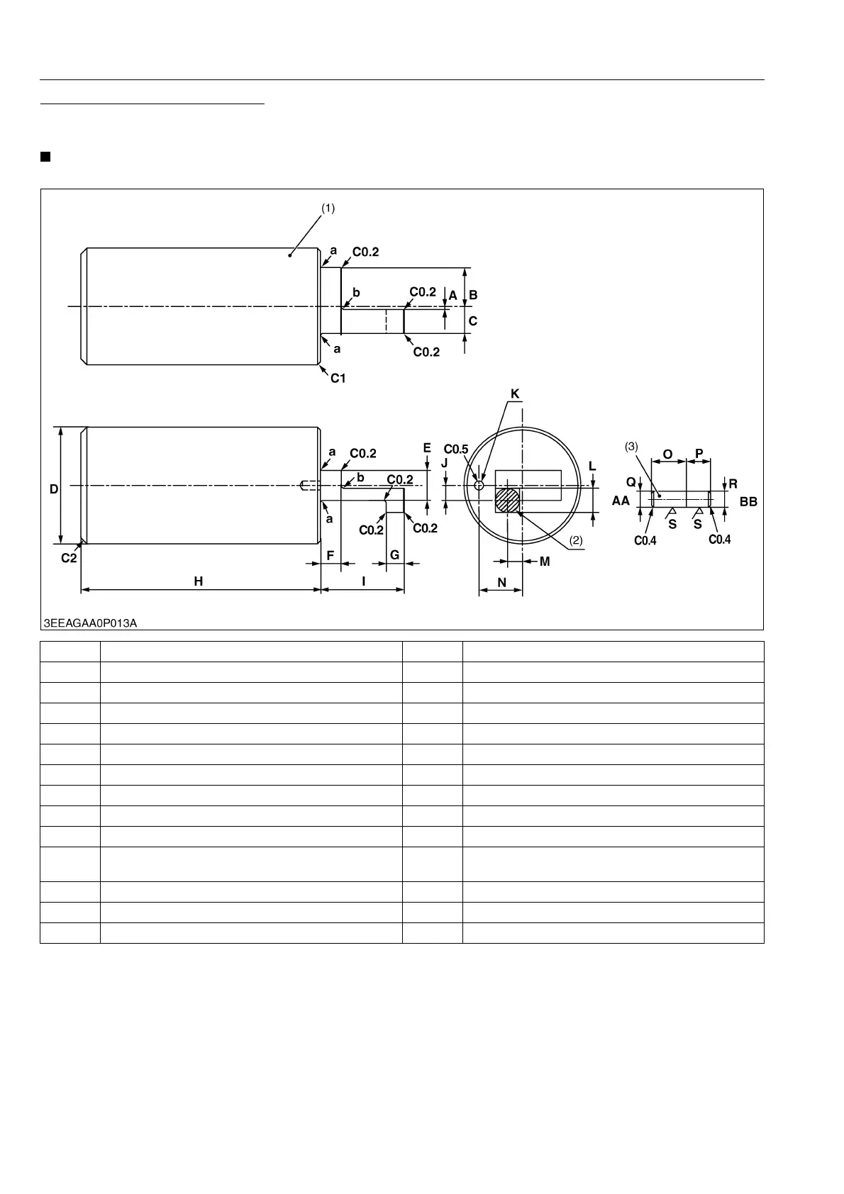
Jig for Governor Connecting Rod
Application
Use for connecting the governor connecting rod to the rack pin of the fuel injection pump assembly.
NOTE
The following special tools are not provided, so make them referring to the figure.
9Y1210143GEG0086US0
A 0.5 mm (0.0197 in.) O 5 mm (0.1969 in.)
B 12.7 to 13.0 mm (0.5000 to 0.5118 in.) P 4 mm (0.1575 in.)
C 8.7 to 9.0 mm (0.3425 to 0.3543 in.) Q 2.955 to 2.965 mm dia. (0.1163 to 0.1167 in. dia.)
D 39 mm (1.5354 in.) R 3.020 to 3.030 mm dia. (0.1189 to 0.1193 in. dia.)
E 10 mm (0.3937 in.) S Ra = 1.6 a
F 7 mm (0.2756 in.) AA Governor housing side
G 6 mm (0.2362 in.) BB Press in side
H 80 mm (3.1496 in.) a 0.6 mm radius (0.0236 in. radius)
I 27.95 to 28.05 mm (1.1004 to 1.1043 in.) b 1 mm radius (0.0394 in. radius)
J 5 mm (0.1969 in.) C0.2 Chamfer 0.2 mm (0.0079 in.)
K
3.00 to 3.01 mm dia., 6 mm depth
(0.1181 to 0.1185 in.dia., 0.2362 in. depth)
C0.4 Chamfer 0.4 mm (0.0157 in.)
L 9 mm (0.3543 in.) C0.5 Chamfer 0.5 mm (0.0197 in.)
M 5 mm (0.1969 in.) C1 Chamfer 1.0 mm (0.0394 in.)
N 14.45 to 14.55 mm (0.5689 to 0.5728 in.) C2 Chamfer 2.0 mm (0.0787 in.)
(1) Material: S43C-D (2) Permanent Magnet:
8 mm dia. (0.3150 in. dia.)
Thickness: 3 mm (0.1181 in.)
(3) Pin
KiSC issued 07, 2012 A

Table of Contents

Related product manuals