EasyManua.ls Logo

Yamaha 67C - Page 65

Yamaha 67C
497 pages
Print Icon
To Next Page IconTo Next Page
To Next Page IconTo Next Page
To Previous Page IconTo Previous Page
To Previous Page IconTo Previous Page
Loading...
2-2
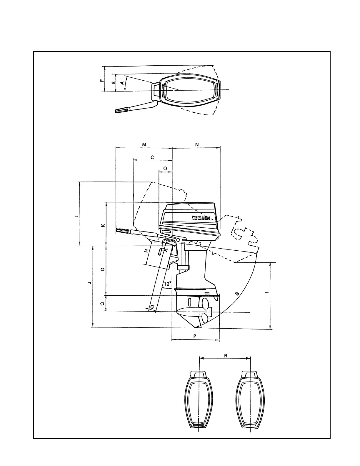
Outboard Rigging Guide - 2001 Engine Mounting Dimensions

Table of Contents

Related product manuals