EasyManua.ls Logo

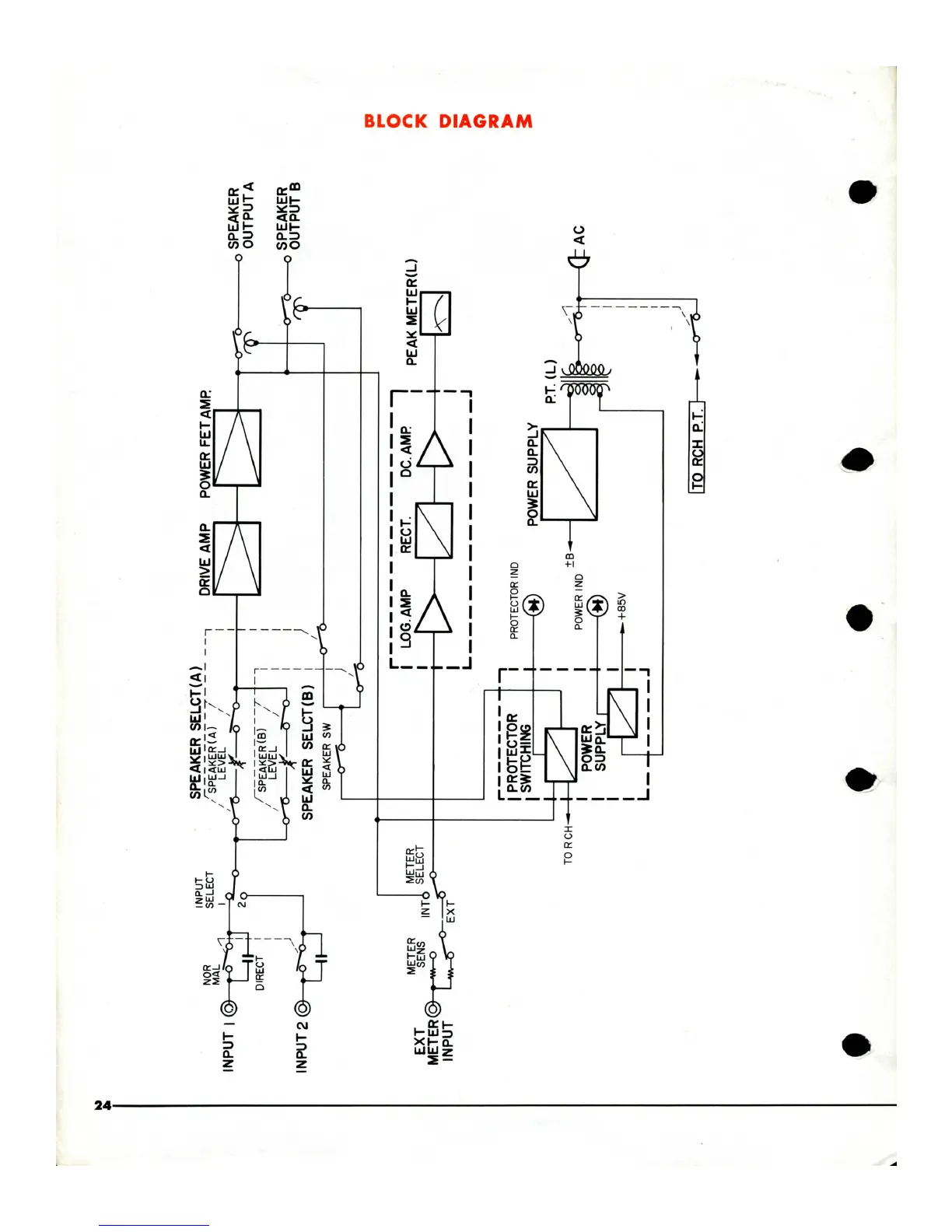
Yamaha B-2 - Block Diagram

Yamaha B-2
42 pages
Print Icon
To Next Page IconTo Next Page
To Next Page IconTo Next Page
To Previous Page IconTo Previous Page
To Previous Page IconTo Previous Page
Loading...

Other manuals for Yamaha B-2

Related product manuals