EasyManua.ls Logo

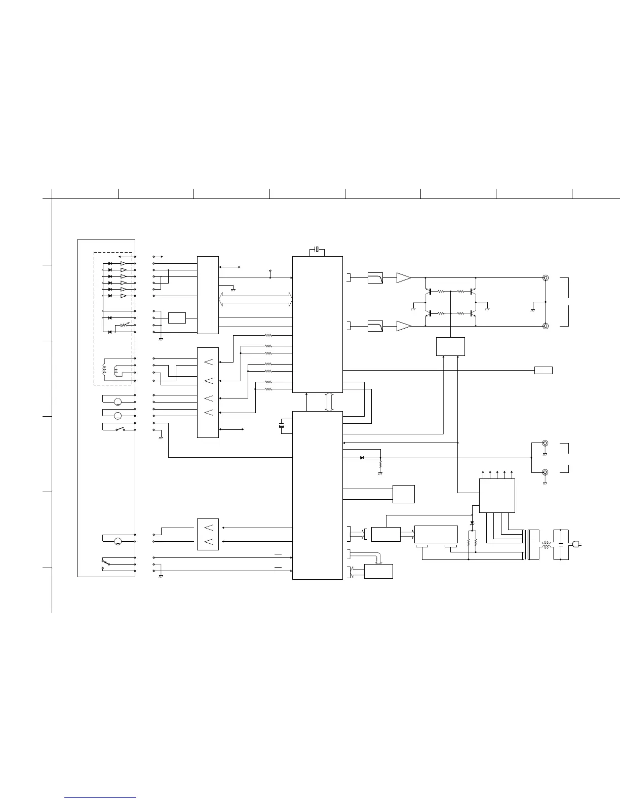
Yamaha CDX-E100 - Block Diagram

Yamaha CDX-E100
35 pages
Print Icon
To Next Page IconTo Next Page
To Next Page IconTo Next Page
To Previous Page IconTo Previous Page
To Previous Page IconTo Previous Page
Loading...
ABCDEFGH
1
2
3
4
5
6
CDX-E100
IC4
MN35511
SPC+DAC
HEAD
AMP
IC3
AN8806SB
CONTROL
SYSTEM CONTROL
IC5
8bit CPU
CONTROL
DISPLAY DRIVE
IC10
LC75710NE
POWER
SUPPLY
IC6
Q5~7
D8~11, 17~21
MUTE
CONTROL
Q4
D5~7,15,16
CB12
DISPLAY
V1
SPINDLE
PICK UP
FOCUS
TRACKING
FEED
FLSW
LOADING
LOADING
SW
VCC VCC
E
D
A
B
C
F
GND
LD
VR
FD
FCS+
TRK+
TRK—
FCS—
SPDL+
SPDL—
FEED+
FEED—
FLSW
GND
LOADING+
LOADING—
OPEN
GND
CLOSE
CLSW
OPSW
CLOSE
OPEN
FLSW
+5
+5
ARF
EFM
TP1
LD ON
VREF
5
10
23
35
36
34
2
7
6
12
13
25
24
30
31
1
18
3
20
4
15
22
33
17,20
IC1
M56748
IC2
LB1641
+5A
1
2
87
86
21
22
21
25
24
27
26
28
29
40
44 63
64
65
66
LPF
IC8
LPF
IC8
IC7
IC7
Q9
Q11
Q10
Q12
11
10
15
47
48
5
18
XL2
RESET
IN
OUT
D22
4 MUTE
MDATA
MCLK
7
8
6TX
MDATA
MCLK
OUT L
OUT R
DIGITAL OUT
OPTICAL
LINE OUT
61
64
|
47
48
50
51
-VB +VB-5 +5A+5
8RESET
SYSCON
T1
L1
20
19
36 37 69 70
F1
F2
D10
L
PJ1
JK1
R
SYSTEM
CONNECTOR
CL
OP
FDO
KICK
TRD
ECM
ECS
TRV
TVD
(IC6)
58 59
XL1
6557
2131
68
69
K0-K2
KD0, KD1
76
78
|
KEY MATRIX
SW3~8
VF
ACF
ACF
IC9
EEP ROM
S-24CO1ADP
1
2
49
46
CS
SO
M
M
M
LD DRIVE
Q1
wt
!0 y
CD MECHA. UNIT
BLOCK DIAGRAM
E-21/J-19

Other manuals for Yamaha CDX-E100

Related product manuals