EasyManua.ls Logo

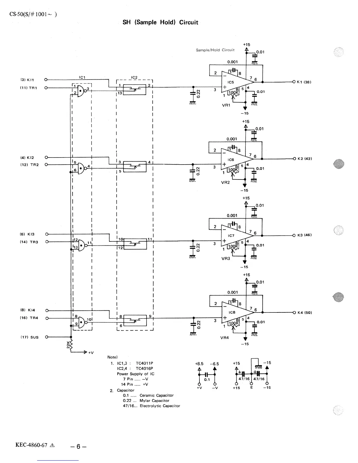
Yamaha CS-50 - SH Circuit

Yamaha CS-50
24 pages
Print Icon
To Next Page IconTo Next Page
To Next Page IconTo Next Page
To Previous Page IconTo Previous Page
To Previous Page IconTo Previous Page
Loading...

Other manuals for Yamaha CS-50

Related product manuals