EasyManua.ls Logo

Yamaha DTXPRESS - DTXPRESS Internal Makeup; The DTXPRESS Internal Signal Flow; Pad Data Signal Flow; Trigger Setup Data

Yamaha DTXPRESS
88 pages
Print Icon
To Next Page IconTo Next Page
To Next Page IconTo Next Page
To Previous Page IconTo Previous Page
To Previous Page IconTo Previous Page
Loading...
28
The Tone Generator is sounded according to the Drum Maps
for each of the Drum Kits
• Each Preset Drum Kit has its own Drum Map
• User Drum Kits No. 49-80 use a common (one) Drum Map.
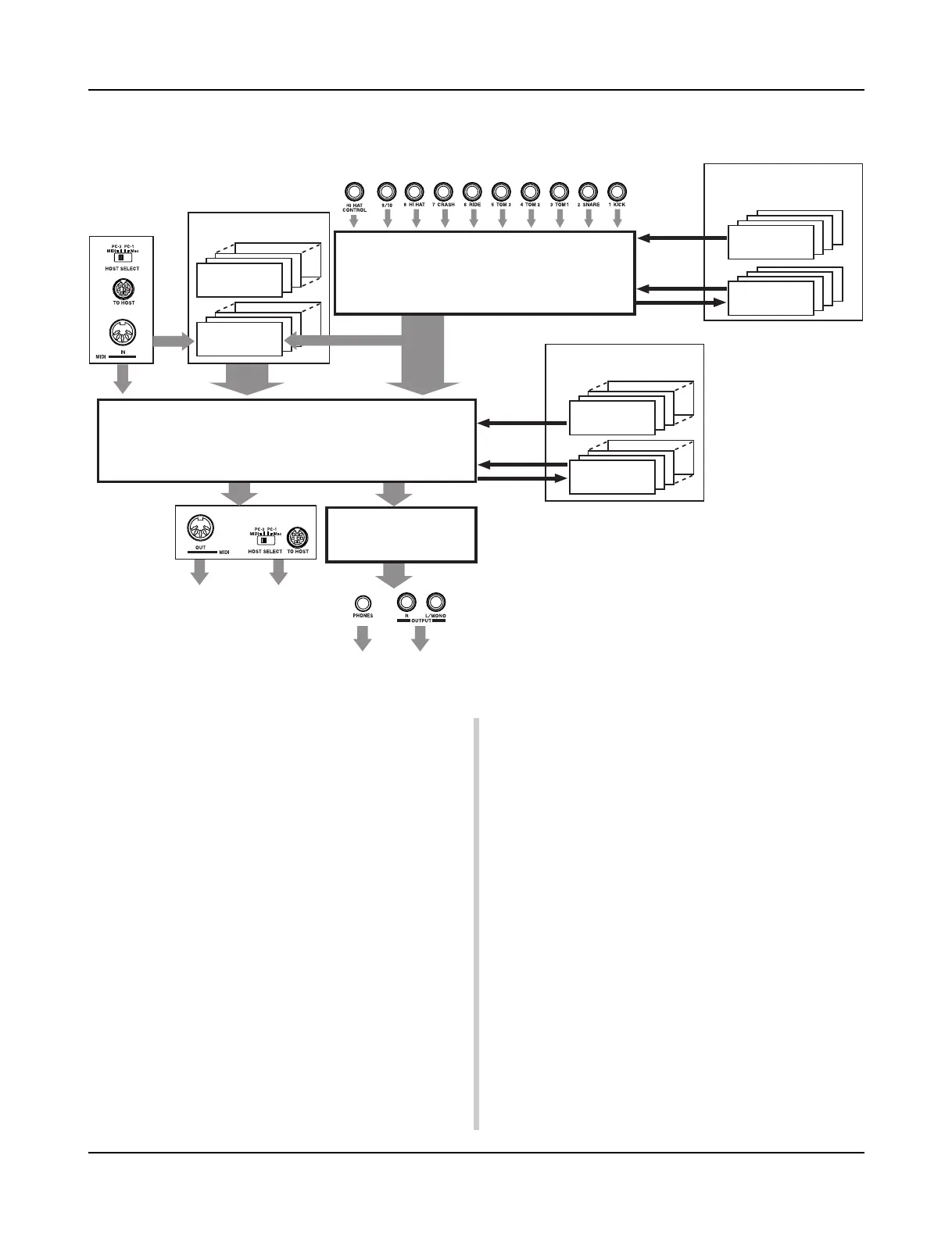
DTXPRESS Internal Makeup
The DTXPRESS’ Internal Signal Flow
Sequencer data
from a computer
or an external
MIDI device.
Song Data
Record
Preset
No. 1-95
User
No. 96-127
Record
Playback
Input for Trigger Signals produced when the pad is struck
Trigger Setup Data Buffer
Trigger Setup Data
Preset
No. 1-7
User
No. 8-11
Drum Kit Data Buffer
Copy
Copy
Store
Drum Kit Data
Preset
No. 1-48
User
No. 49-80
Transmits key on/off, program
change, note number, etc.
MIDI data to a computer or an
external MIDI device.
Tone Generator
Audio Signal Output
Pad Data Signal Flow
In order for the DTXPRESS to effectively manage trigger signals
transmitted from the pads connected to the Trigger Input Jacks (1
KICK, 2 SNARE, … 9/10) and the HI HAT CONTROL jack, trig-
ger signals are adjusted to a suitable signal in the Trigger Setup
Buffer using the Trigger Setup.
Signals transmitted from the Trigger Setup Buffer will enter the
Drum Kit Buffer.
In the Drum Kit Buffer, the Drum Kit is set as to what voices will
be used and how voices will be delivered for each of the Trigger
Input Sources. The Tone Generator’s Voices will be produced
according to these settings and its audio signal will be transmitted
to the OUTPUT jacks and PHONES jack.
Trigger Setup Data
This mode is used for adjusting the trigger input, from pads and
trigger sensors connected to the Trigger Input Jacks, to a suitable
signal the sensitivity and velocity curve settings. (The signals char-
acteristics will change according to the strength of the hit.) Also,
cross-talk and double-trigger can be effectively eliminated with
the settings available here.
Along with 7 preset trigger setups (No. 1-7), there are another 4
user trigger setups (No. 8-11) available for storing original setups.
After selecting a trigger setup for use, the data will be copied to
the Trigger Setup Data Buffer where the copied data will be used
in performance. (Refer to the illustration above.)
Setup data can be freely changed in the Trigger Setup Edit mode
and saved, if necessary, to the User Trigger Setup’s memory (No.
8-11).
Drum Kit Data
This mode is used for setting drum kit voices, for example, assign
a voice to each pad (trigger input source) used in the drum kit and
perform settings such as selecting the voice, tuning, reverb level,
etc.
The DTXPRESS has 48 preset (No. 1-48) drum kits and another
32 user (No. 49-80) drum kits that are used for saving original
drum kits created by the user.
As in the Trigger Setup, the selected drum kit’s data will be copied
to the Drum Kit Data Buffer where the copied data will be used in
performance. (Refer to the illustration above.) This Drum Kit data
can be freely changed in the Drum Kit Voice Edit mode and saved,
if necessary, to the User Drum Kit’s memory (No. 49-80).

Table of Contents

Other manuals for Yamaha DTXPRESS

Related product manuals