EasyManua.ls Logo

Yamaha EF6300iSDE - Wiring Diagram

Yamaha EF6300iSDE
70 pages
Print Icon
To Next Page IconTo Next Page
To Next Page IconTo Next Page
To Previous Page IconTo Previous Page
To Previous Page IconTo Previous Page
Loading...
51
M
Y R B/WL/R R/WR/B B
OFF
ON
START
R
R
B
B
G/W
B/R
R/W
O/W
Y/W
R
Y
Y
Y
Y
YY
Y
G
L
O
G/W
B/R
L/Y
L/R
L/W
Y/W
R/W
L/W
O/W
R
R
Br
OLG PY
OLGPY
Br OLYG
OBrLGY
R
Y
G
B
P
BP
Br
R
R
B
Y
Br
L
Y
Y
Y
Y
G
O
R
L
Y
G
O
L/W
G/W
R/W
O/W
Y/W
L/W
L
L
O
W
W
WW
W
W
W
Y
Y
Y
YY
Y
B
P
B/Y
R/Y
Y
Y
Y
Y
G
B
B/Y
R
R/Y
W
WW
W
W
W
G/R
W
G/R
B/W
O
B/W
OB/W
L/Y
B/R
L/Y
L
Y
O
L/W
R/W
R/W
Y/W
R/L
R/B
L/G
B/W
Br/W
Br/W
R/W
G/Y
G/Y
G/Y G/R
Y
G/R
Y
L/W
G/Y
L/W
G/Y
L/R
G/R
R
O
Y
R/B
R/W
B/W
Y
R/B
R/W
B
L/R
R
W
R/B
G/Y
G/R
Y/W
L/W
L/G
G/Y
R/L
Y
B
R
B/W
R
Br
G/Y
G/Y
L/R
R/B
R/W
B/W
Y
B/Y
B
R
R/Y
L/G
G/Y
R/L
B/W
Y
B/W
Y/W
L/W
W
G/R
G/Y
R/B
Y
Y
G/R
G/Y
L/W
Y
G/R
G/Y
L/W
G/Y
B/W
RR
G/R
L/R
R/B
G/Y
Y
R
O
R/W
R/W
B/YR/Y
2
o
i
f
j
h
d
a
s
g
;
l
k
z
x
1
3
4
5
5
6
7
7
8
9
0
q
w
e
r
t
y
pu
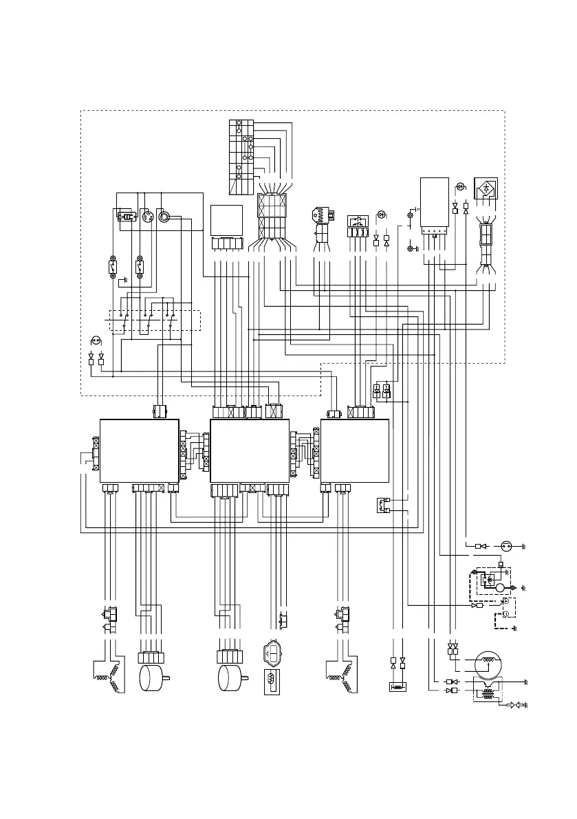
WIRING DIAGRAM
7CK-28199-12_b 11.3.21 13:47 Page 51

Table of Contents

Related product manuals