EasyManua.ls Logo

Yamaha F15CE - Page 180

Yamaha F15CE
226 pages
Print Icon
To Next Page IconTo Next Page
To Next Page IconTo Next Page
To Previous Page IconTo Previous Page
To Previous Page IconTo Previous Page
Loading...
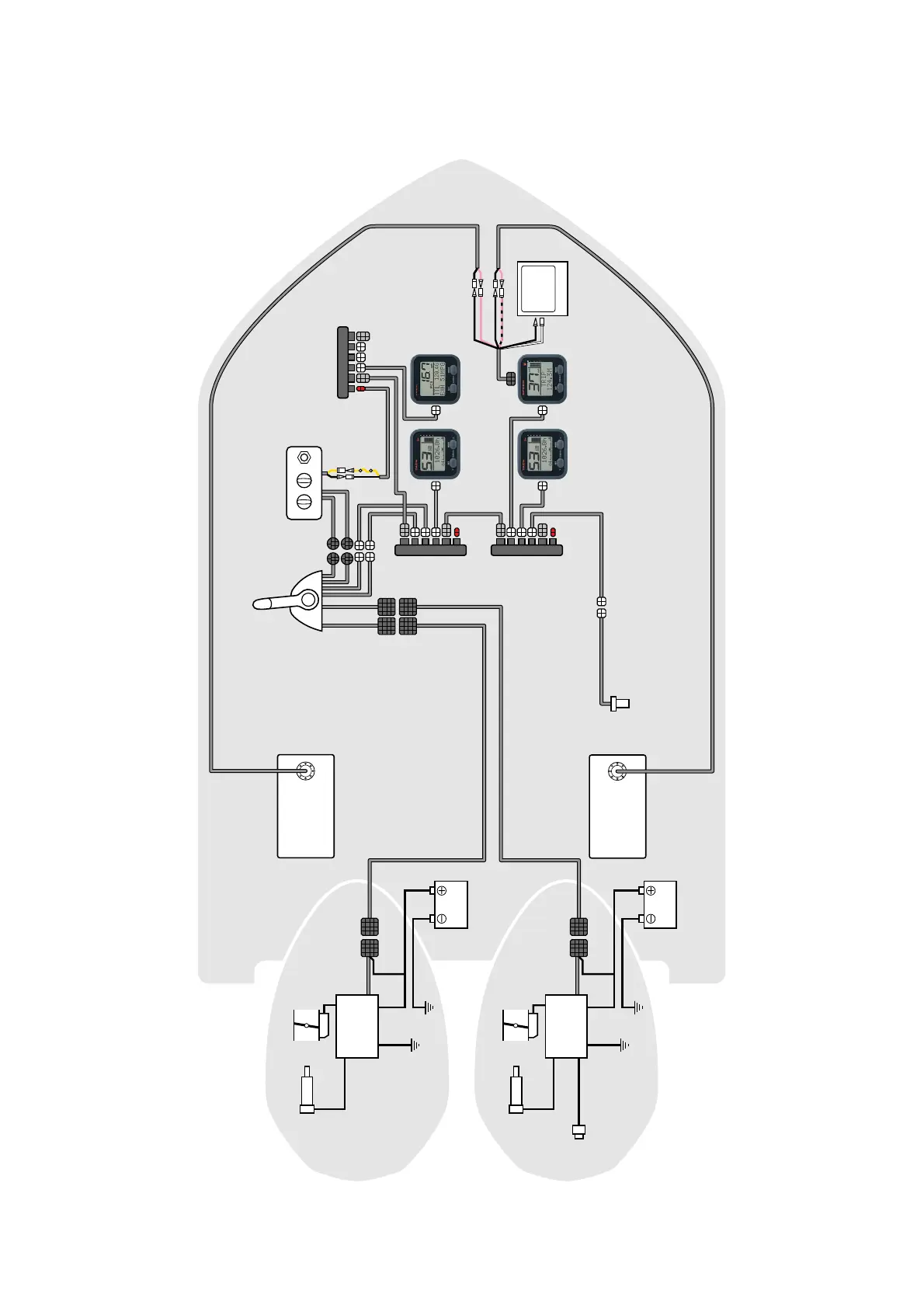
6-14
Fuel tank 2
Fuel tank 1
ECM
Shift actuator
Electronic
throttle body
Tachometer
Multi-hub
Binnacle twin RC
6X6-48207-00/10
Twin SW panel
6Y8-82570-02
Speedometer
NMEA0183
compatible
GPS
Speed sensor
(OP)
Fuel mgt
meter
Tachometer
Multi-hub
Fuse (10A)
Shift actuator
Electronic
throttle body
PS
New main-harness (16P)
7m: 6X6-8258A-10
8m: 6X6-8258A-20
10m: 6X6-8258A-30
12m: 6X6-8258A-40
(GND)
(+)
Multi-hub
Multi-sensor
(Depth, Temp, Speed)
ECM
Multi-hub
WIRING DIAGRAMS
F350/F300/F250 [Digital Electronic Control]
TWIN ENGINE

Table of Contents

Related product manuals