EasyManua.ls Logo

Yamaha MT1X - Recording Drums; Planning and Signal Path for Drums

Yamaha MT1X
42 pages
Print Icon
To Next Page IconTo Next Page
To Next Page IconTo Next Page
To Previous Page IconTo Previous Page
To Previous Page IconTo Previous Page
Loading...
MULTITRACK RECORDING
PLAN YOUR RECORDING
A clear plan is essential before you begin multitrack
recording. If you begin cold, without regard to all the
steps involved, you may “record yourself into a corner”
by running out of available empty tracks, missing the
chance to add effects at the proper points, losing con-
trol over the final stereo positioning of the instruments,
and creating the need for more ping-pong and mixdown
recording operations than really necessary. Although you
can perform ping-pong and mixdown operations without
limit, a certain amount of noise and sound degradation
results during these operations. It’s best to hold ping-
ponging down to 1 or 2 operations in order to achieve
good sound quality.
So before you start, plan your recording carefully — what
order the parts will be recorded in, what instruments will
go on which tracks, how and when effects will be used,
when recorded tracks will be ping-ponged, and what sort
of end result is desired. The recording process of the ex-
ample we will explain in this section is illustrated on page
16.
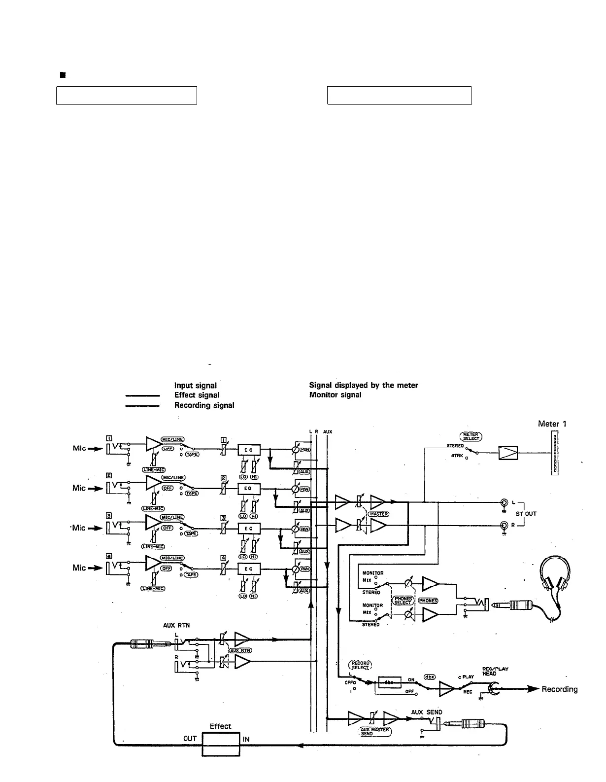
Signal route when recording drums —
RECORDING THE DRUMS
The drums will be recorded on track 1. In recent years,
drum machines and rhythm machines have made an
appearance, with Yamaha coming out with the high-
performance RX11, RX15, and RX21 Digital Rhythm Pro-
grammers. However, for this example we will be record-
ing a conventional set of drums. Though many will be
recording with electronic drums, the basic approach is
the same.
The MT1X has four input jacks, enabling the setting up
of the four microphones for recording, as shown in the
diagram. Through the MT1X’s mixing section, the sounds
recorded by these microphones are mixed down onto
track 1.
YAMAHA’s REV7 Digital Reverberator can be used for
reverb effects. It also features echo and delay programs
as well as gate reverb and even kick drum programs
enabling you to freely obtain various effects to suit
each individual song.
17

Related product manuals