EasyManua.ls Logo

Yamaha pf10 - Block Diagram

Yamaha pf10
8 pages
Print Icon
To Next Page IconTo Next Page
To Next Page IconTo Next Page
To Previous Page IconTo Previous Page
To Previous Page IconTo Previous Page
Loading...
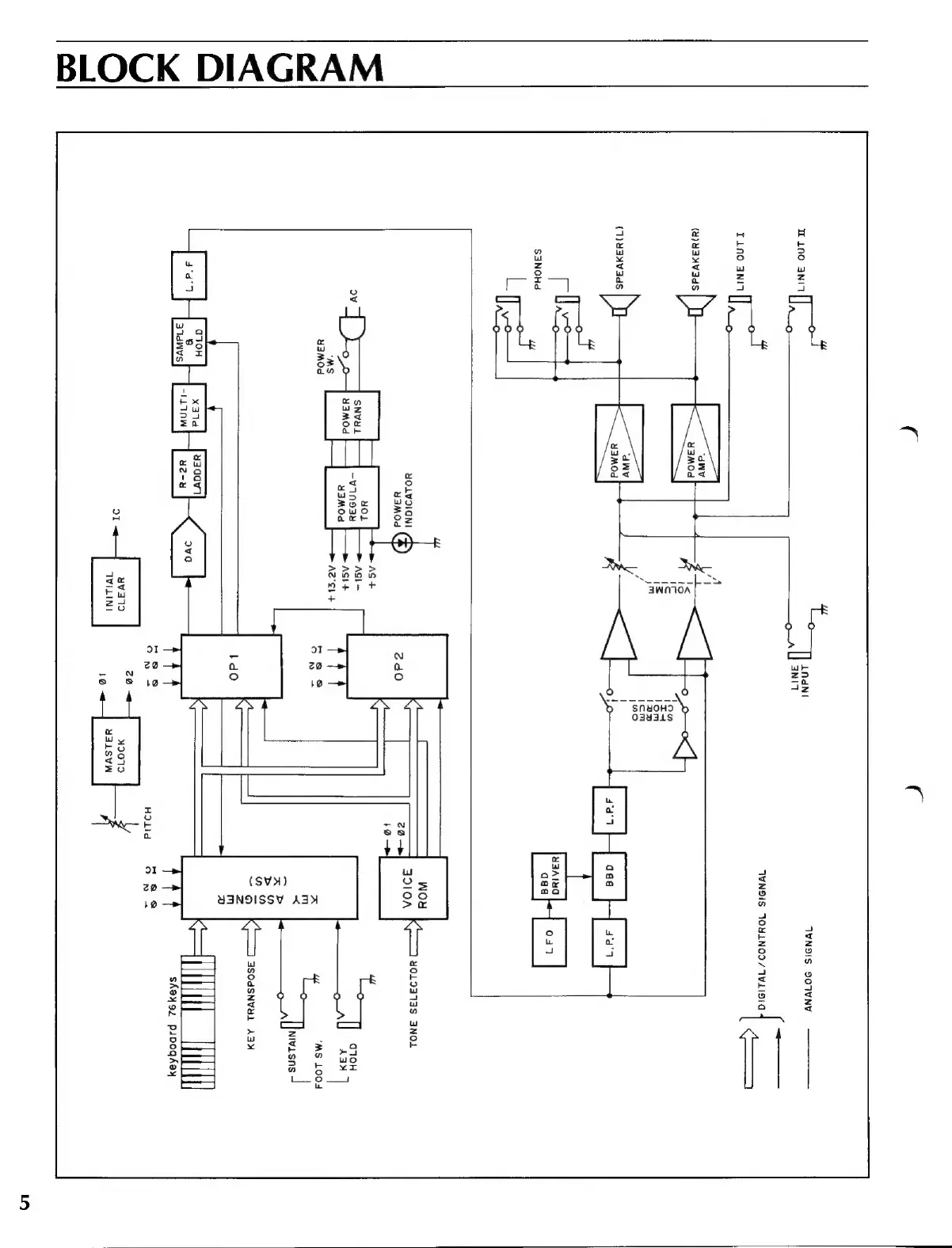
BLOCK
DIAGRAM
Iino
INIT
IR
o
Tino
INIT
|
Ao
(8)83I4VIAS
(1)A4AMVAdS
YOLVSIANI
YIMOS
Jm
AMÓN
IVNDIS.
SOTVNV
-————
<=
IVNDSIS
IOHLNOD/IWLIDIQ
ETT
038315
4V31I
TVILINI
y
43A
180
ia
ES
Woa
3910,
K
#0193038
3N01
Q10H
A3%
]
‘MS
LOOS
soll
YINDISSV
AJA
430719
YILSVW
skaygz
pipogAay

Related product manuals