EasyManua.ls Logo

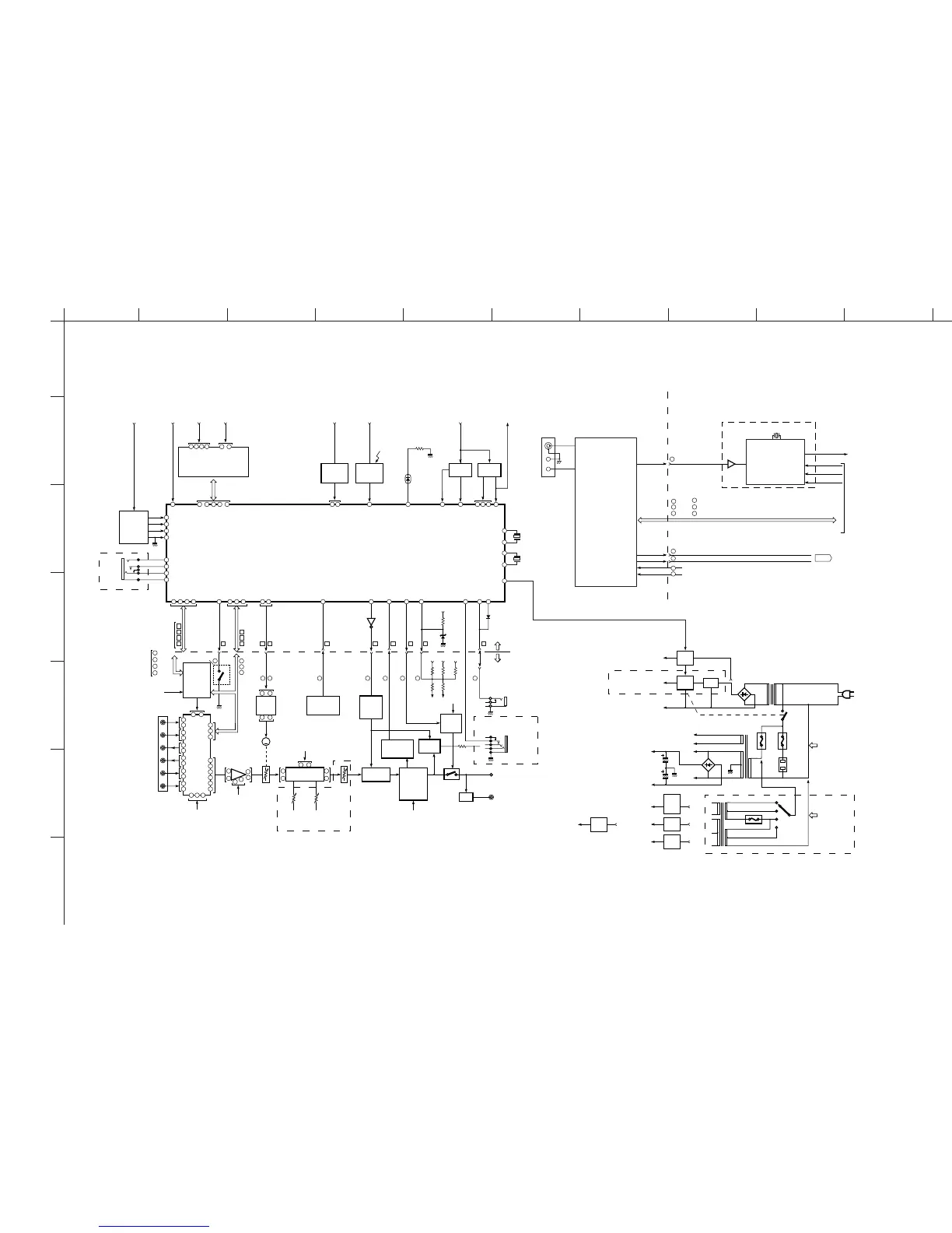
Yamaha RDX-E600 - System Block Diagram; BLOCK DIAGRAM

Yamaha RDX-E600
52 pages
Print Icon
To Next Page IconTo Next Page
To Next Page IconTo Next Page
To Previous Page IconTo Previous Page
To Previous Page IconTo Previous Page
Loading...
ABCDEFGH I J
1
2
3
4
5
6
7
RX-E600/NX-E400
15
BLOCK DIAGRAM
• MAIN: See page 21 SCHEMATIC DIAGRM
• OPERATION: See page 22 SCHEMATIC DIAGRM
FLUORESCENT DISPLAY
V700
PJ250
MOTOR
DRIVE
IC211
Q701
Q703
Q702
IC100
INPUT SELECTOR
1 2 58 59
21 24
~
16 63
100
7 12 22 99
SEG-1~35DIG-1~16
OPERATION
KEY
SW701~707
95
96
98
97
KEY2
X IN
X OUT
10XOUT
10XIN
R LY. P W
XL701
10 MHz
XL700
32.768 kHz
KEY1
KEY0
AVSS
93
8
90
97
STATUS
IR_OUT
DVD_PS
AVSS
12
94
DES
1
30 13
14
15
12 18 19
5
4
7
2
8
1
5
8
5 6
2 10
11
20
23
26
2
29
6
25
3
28
7
24
4
27
6
DES
10
CE
8
VOL-UP
7
VOL-DN
4
TH
14
MUT-A
9
PRO-I
1
R LY- S P
5
PRO-PS
17
SYS-I/O
11
CLK
13
DAT-0
F2
F1
12
15
16
17
DAT-I
MUT-T
STA
ST/MO
MAIN P. C. B.
CB251
TERMINAL No.
25 28 29 30
DATI
MUTT
STA
ST/MO
6
3
2
16
OPE (1) P. C. B.
CB707
TERMINAL No.
OPE (1) P. C. B.
OPE (1) P. C. B.
23
8
7
5
24 26
CE
CLK
DATO
1110
4 3
VOLUP
VOLDN
35
HP
5
3
7
1
9 22
8 4
17
19
RLYSP
9
20
PROI
17
SYS-O
D702
1
18
SYS-I
4
27
MUTA
D701
R709
Q700
+5V
13
92
PROPS
+5V
VP
F2 F1
89 6436 62
~
66 88
~
INPUT
SELECTER
SW700
5 6
+5V
REMOTE
SENSOR
U700
21
+5V +5V
+5V
VCC
VCC
AVCC
+5V-BK
PD
RESET
TIMER
VP
ENCB
ENCA
Rem
12S
MUTE
DRIVE
Q271, 273,
277
MUTING
Q250, Q251
POWER
AMP
Q252~255
Q259~262
Q263~266
Q267, 269
PROTECTION
Q272, 275, 276,
279, 280
C. R
R547
AC1+12V
AC312V
R345
R548
R358,
359
R346
MUTING
Q281~284
RELAY
DRIVE
Q274
SW250
R, L models only
FREQUENCY
STEP
+12V
AUX
DVD
MD REC
TAPE REC
MD PLAY
TAPE PLAY
±12V
±12V
±B
+12V
±12V
IC108
+B
PJ100
M
TONE CONTROL
IC210
BASS TREBLE
VR700
VOLUME
VR210
BALANCE
VR702
VR701
RY250
REST
D704
OPE (1) P. C. B.
MAIN P. C. B.
SPEAKERS
SUB
WOOFER
DG
HP
L
R
HEAD
PHONES
JK700
REM
(SYSTEM CONNECTOR)
POWER ON
JK250
TE250
14
91
TH
Q256 ~ 258
IC700 µ–COM
TUNER
AM/FM
TIMER
10
11
13
15
2
R745
R551
-VP
OPE (2) P. C. B.
DVD
CONTROL
JK701
D233
RY231
Q231
RY231
Q231
Q540
D270
D540
Q541
D541
Q278
D258
Q232
SUB
TRANSFORMER
12S
12S
G
T231
F232
F1
F2
AC1
+B
B
B
+B
B
VP
30V
+12V
12V
F231
TE231
POWER
TRANSFORMER
240V
220V
120V
120V
110V
0V
SW401
F401
C303
C304
D542
U, C, K, A, B, G, E, J
models
U, C, K, A, B, G, E, J
models
MAIN P. C. B.
R, L models
R, L models
G, E models
only
AC3
IC113
+12V
+5V
TUNER
2
12
13
4.332MHz
XL4
B, G, E models only
FM
ANT
GND
AM
ANT
RDS
IC109
LC72722
Q108
MAIN P. C. B.
CB103
TERMINAL No.
7
RDS
14
3
2
1
DAT-I
MUT-T
STA
ST/MO
15
CE
13
CLK
6
TUL
4
TUR
9
5V
8
12V
TUNER
20
21
22
23
DAT O
CLK
DAT I
CE
TO: µ-COM
FROM: µ-COM
TO: INPUT
AM/FM TUNER
(TUNER PACK)

Related product manuals