EasyManua.ls Logo

Yamaha RX-V430 - Page 71

Yamaha RX-V430
102 pages
Print Icon
To Next Page IconTo Next Page
To Next Page IconTo Next Page
To Previous Page IconTo Previous Page
To Previous Page IconTo Previous Page
Loading...
ABCDEFGH I JKL
RX-V530/RX-V530RDS/HTR-5550/HTR-5550RDS/DSP-AX530
RX-V430/RX-V430RDS/HTR-5540/HTR-5540RDS/DSP-AX430
71
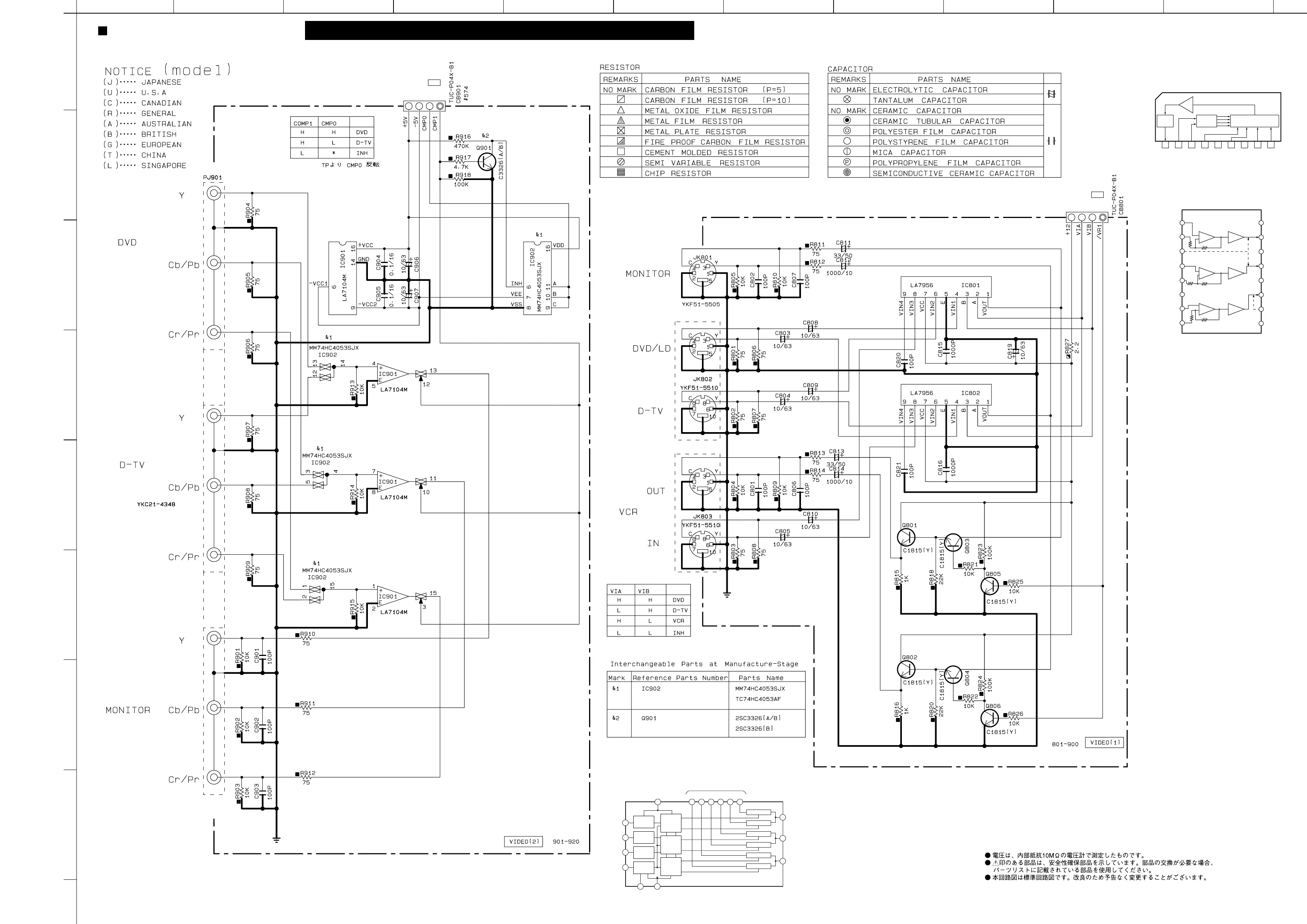
SCHEMATIC DIAGRAM (VIDEO) RX-V530/RX-V530RDS/HTR-5550/HTR-5550RDS/DSP-AX530 only
1
2
3
4
5
6
7
8
9
All voltages are measured with a 10M/V DC electric volt meter.
Components having special characteristics are marked s and must be replaced
with parts having specifications equal to those originally installed.
Schematic diagram is subject to change without notice.
C-INPUT SELECTOR
Y-INPUT SELECTOR
Y SELECTOR
Cb SELECTOR
Cr SELECTOR
IC801, 802: LA7956
Video Switch
123456789
VIDEO
OUT
A B VIN1 GND VIN2 VCC VIN3 VIN4
DRIVER
6dB
AMP
CONTROL
4 INPUT 1 OUTPUT
VIDEO SWITCH
IC901: LA7104M
Video Amp
15
VOUT1
13
VOUT2
11
VOUT3
10
MUTE2
9
-VCC2
12
DR CTL
16
+VCC
14
GND
2
NFB1
4
VIN2+
6
-VCC1
7
VIN3+
8
NFB3
5
NFB2
1
VIN1+
3
MUTE1
DR6dB
DR6dB
DR6dB
IC902: MM74HC4053SJX
Triple 2-Channel Analog Multiplexer
16
11
10
4
7
OUT/IN
AX or AY
VSS
8
GND
C
B
A
VCC
3
CY
5
CX
1
BY
2
BX
IN/OUT
13
AY
12
AX
TO
Logic
Level
Conversion
Logic
Level
Conversion
Logic
Level
Conversion
OUT/IN
CX or CY
OUT/IN
BX or BY
9INH
Logic
Level
Conversion
Binary to 1
of 2 Decoders
with INHBIT
Binary to 1
of 2 Decoders
with INHBIT
Binary to 1
of 2 Decoders
with INHBIT
YG
TG
TB
TC
TG
Page 68
to FUNCTION (4)
A4
Page 68
to FUNCTION (4)
A2
7.4
6.4
6.47.0 7.0
11.9
6.4
0
11.9
7.4
7.0
6.56.4 6.4
11.9
3.9
3.9
11.9
3.9
0
3.9
4.9
4.9
6.4
3.9
5.05.0
-5.0
0
0
0
0
0
5.0
-5.0
0
0
0.7
0
0
0
0
0
-5.0
0
3.9
11.9
3.9
0
3.9
4.9
4.9
6.5
5.7
0
11.9
0
0
0
0
0
0
5.0
0
0
0
0
0
0
5.0
0

Other manuals for Yamaha RX-V430

Related product manuals