EasyManua.ls Logo

Yamaha S112 - Panel Posterior

Yamaha S112
84 pages
Print Icon
To Next Page IconTo Next Page
To Next Page IconTo Next Page
To Previous Page IconTo Previous Page
To Previous Page IconTo Previous Page
Loading...
46
STATUS
DATA/CTRL
BANK MSB/MAX
BANK LSB/MIN
TOGGLE ON-OFF
/NUMBER OF PGM
DEC
/NO
INC
/YES
MEMORY
EDIT
PC
EDIT
WRITE
/EXIT
±108.8.8.
!8
!9 @0
@1 @3
@2 @4 @5
MIDI IN MIDI OUT
IN
OUT
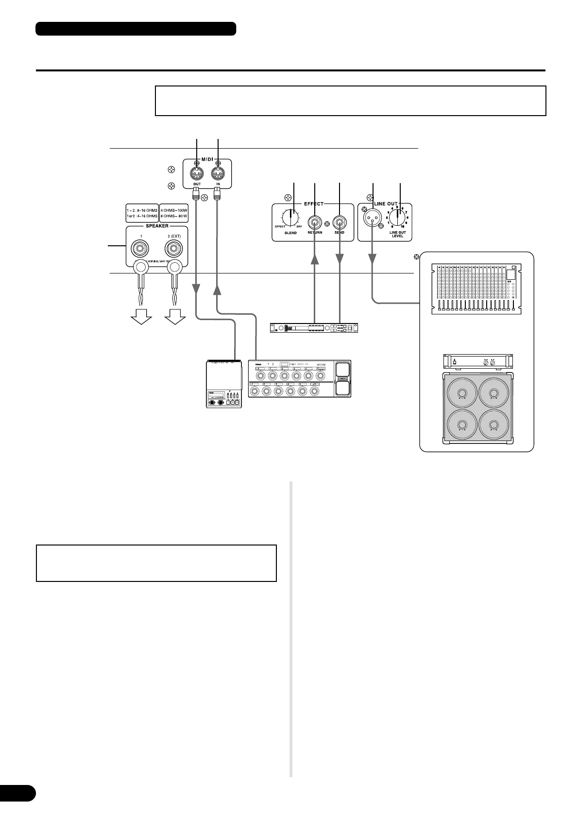
* Ilustración del DG80-112A
Panel posterior
Controles del panel
Antes de efectuar ninguna conexión, compruebe que el amplificador DG o cual-
quier otro dispositivo externo están apagados OFF.
Guarde los datos de la memoria
interna del amplificador DG en
un dispositivo MIDI.
Unidad de efectos externa
Mezclador o amplificador
adicional
Puede utilizar un controlador
MIDI para seleccionar la
memoria y controlar el volumen.
@1 Control de mezcla de efectos (EFFECT BLEND)
@2 Conector de envío de efectos (EFFECT SEND)
@3 Conector de retorno de efectos (EFFECT RETURN)
Puede insertarse una unidad de efectos externa en el circuito de señal entre
los conectores SEND/RETURN para efectuar un procesamiento adicional
de la señal de tono creada por la unidad principal. Utilice el mando BLEND
para controlar el nivel de balance entre el sonido de la unidad de efectos
externa (EFFECT) y el sonido creado por el amplificador DG (DRY). Si gira
completamente el mando hasta la posición EFFECT, oirá únicamente el so-
nido producido por la unidad de efectos. Si gira el mando hasta la posición
DRY, sólo oirá el sonido creado por el amplificador, sin la coloración adicio-
nal de la unidad de efectos externa.
* Si inserta una clavija en el conector RETURN, desconectará la circuitería inter-
na. La señal que retorna de la unidad de efectos accede por aquí al circuito inter-
no y continúa hasta la etapa de potencia altavoz. Si no se utiliza el conector
RETURN, el mando BLEND no estará operativo.
El conector SEND también puede funcionar como conector de salida de
preamplificador, y el conector RETURN como entrada principal.
@4 Salida de línea (LINE OUT)
@5 Control del nivel de salida de línea (LINE OUT LEVEL)
La misma señal que se envía a la salida de altavoz !8, se envía a la salida
LINE OUT con un nivel de línea de +4 dBm / 600 . El amplificador incorpo-
ra también un simulador de altavoz (puede activarse/desactivarse pági-
na 52), y puede controlarse el nivel de salida con el mando LINE OUT LEVEL.
La señal de línea puede enviarse a un mezclador y utilizarse como conector
de salida para un amplificador externo.
!8 Conector de altavoz (SPEAKER)
DG100-212A: El altavoz interno se conecta al amplificador.
DG80-210A/DG80-112A: Provisto de dos conectores de altavoz. El alta-
voz interno se conecta a SPEAKER 1.
DG130HA: Equipado con dos conectores de altavoz.
En la sección “Conexión de altavoces” de la página 47 encon-
trará instrucciones para la conexión de los altavoces al
amplificador.
!9 Salida MIDI OUT
Conecte esta salida a la entrada MIDI IN de un dispositivo que pueda alma-
cenar datos MIDI. Los datos guardados en la memoria interna del amplificador
DG podrán transmitirse a un dispositivo MIDI externo para su almacenamiento
( página 51: salida de bloques MIDI).
Esta salida también transmite los datos MIDI recibidos en la entrada MIDI IN
@0 a un dispositivo externo si la fusión MIDI está activada ( página 51).
@0 Entrada MIDI IN
Conecte esta entrada a la salida MIDI OUT de un pedal MIDI externo para
controlar el amplificador DG. La selección de memoria, control de volumen,
y los efectos pueden controlarse desde un pedal controlador externo (
página 49).
Asimismo, los datos de memoria guardados en un dispositivo de
almacenamiento externo pueden volver a cargarse en la memoria interna
de cualquiera de los amplificadores DG ( página 51 Entrada de bloques
MIDI).
DG100-212A/DG80-210A/DG80-112A/DG130HA
En el DG100-212A, podrá conectar el altavoz
interior o un altavoz externo al amplificador.
En los modelos DG80-210A/DG80-112A, no
podrá conectar el altavoz interno, ni el alta-
voz exterior no tampoco el altavoz interior más
un altavoz externo al amplificador.
En el DG130HA, podrá conectar altavoces al
amplificador.

Table of Contents

Related product manuals