EasyManua.ls Logo

Yamaha S112 - Achterpaneel

Yamaha S112
84 pages
Print Icon
To Next Page IconTo Next Page
To Next Page IconTo Next Page
To Previous Page IconTo Previous Page
To Previous Page IconTo Previous Page
Loading...
72
STATUS
DATA/CTRL
BANK MSB/MAX
BANK LSB/MIN
TOGGLE ON-OFF
/NUMBER OF PGM
DEC
/NO
INC
/YES
MEMORY
EDIT
PC
EDIT
WRITE
/EXIT
±10
8.8.8
.
!8
!9 @0
@1
@3
@2 @4 @5
MIDI IN MIDI OUT
IN
OUT
* De DG80-112A wordt getoond in de illustratie.
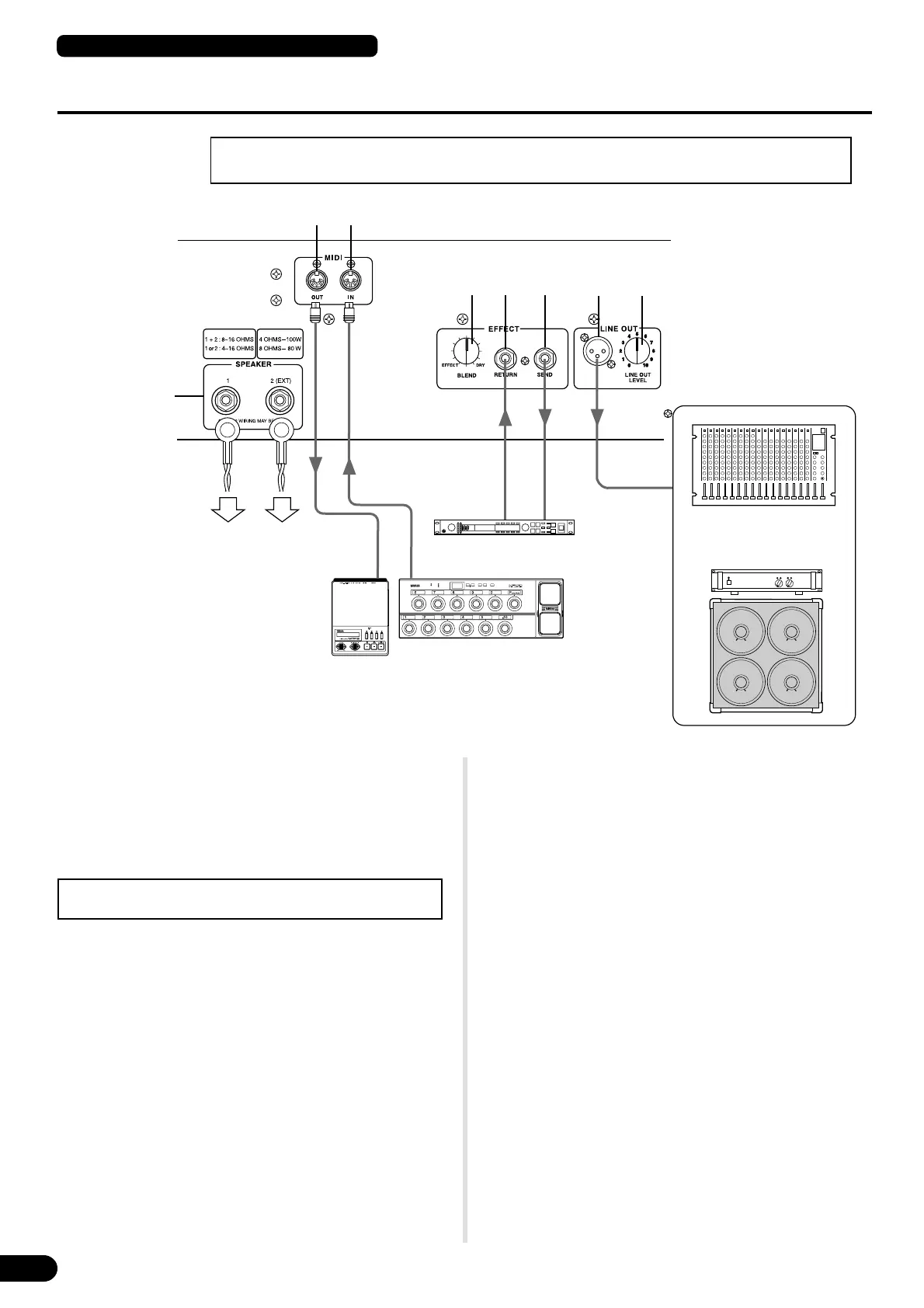
Achterpaneel
Het Bedieningspaneel
Zorg ervoor, alvorens u enige aansluitingen maakt, dat de DG versterker en eventuele
externe apparatuur uitstaat.
Sla data van het interne geheugen van de DG
versterker op in een MIDI apparaat.
Externe Effect Unit
Mengpaneel of extra
versterker
Een MIDI Controller kan gebruikt
worden bij het selecteren van ge-
heugens of volume.
@1 Effect Blend Knop(EFFECT BLEND)
@2 Effect Send Jack (EFFECT SEND)
@3 Effect Return Jack (EFFECT RETURN)
Een extern effectapparaat kan worden tussengevoegd in de signaalbaan
tussen de SEND/RETURN jacks. Hierdoor kunt u het door de versterker
gecreërde signaal verder bewerken met een extern effectapparaat. Bestuur
met de BLEND knob het balansniveau tussen het geluid van het externe
effectapparaat (EFFECT) en het geluid gecreërd door de DG versterker
(DRY). Zet u de knop volledig in de EFFECT positie dan hoort u alleen het
geluid dat wordt geproduceerd door het extern effectapparaat. Zet u de knop
volledig in de DRY positie dan hoort u alleen het interne geluid dat wordt
gecreërd door de versterker, zonder het toegevoegde effect van het externe
effectapparaat.
* Sluit u een plug aan op de RETURN jack dan koppelt u het interne circuit los.
Het signaal dat terugkeert van het effectapparaat wordt hier in het interne circuit
ingevoerd, waarna het doorgaat naar de versterker/luidspreker. Als de RETURN
jack niet wordt gebruikt heeft de BLEND knop geen effect.
Ook kan de SEND jack functioneren als een pre-out jack en de RETURN jack kan
functioneren als een main-in jack.
@4 Line Out Jack (LINE OUT)
@5 Line Out Niveau knop (LINE OUT LEVEL)
Hetzelfde signaal dat wordt verstuurd naar de luidspreker output jack !8
wordt ook verstuurd naar de LINE OUT jack op een line niveau (+4 dBm /
600 ohm). De versterker heeft ook een ingebouwde interne Luidspreker
Simulator (kan uit- en aangezet worden, zie pagina 78.), het output ni-
veau kan bestuurd worden met de LINE OUT LEVEL knop. Het line signaal
kan worden verstuurd naar een mixer en gebruikt worden als een output
jack voor een externe versterker.
!8 Luidspreker Jack (SPEAKER)
DG100-212A: De interne luidspreker moet worden aangesloten op de
versterker.
DG80-210A/DG80-112A: Uitgerust met 2 luidspreker jacks. De interne
luidspreker moet worden aangesloten op de SPEAKER 1 jack.
DG130HA: Uitgerust met 2 luidspreker jacks.
Zie het “Luidsprekers Aansluiten” gedeelte op pagina 73 voor in-
structies over het aansluiten van luidsprekers op de versterker.
!9 MIDI OUT Jack
Sluit deze jack aan op de MIDI IN jack van een apparaat dat MIDI data kan
opslaan. De data opgeslagen in het interne geheugen van de DG versterker
kan worden verstuurd naar een extern MIDI apparaat, om daar opgeslagen
te worden. (zie pagina 77 : MIDI Bulk Out)
Verstuurt ook MIDI data ontvangen door de MIDI IN jack @0 naar een extern
apparaat als MIDI Merge op ON gezet wordt. (zie pagina 77.)
@0 MIDI IN Jack
Sluit deze jack aan op de MIDI OUT jack van het MIDI voetpedaal en u kunt
vervolgens met het externe voetpedaal de DG versterker bedienen. Geheu-
gen selectie, volume bediening en effecten kunnen alle worden bediend via
een extern voetpedaal. (zie pagina 76.)
Ook geheugen data opgeslagen in een extern opslagmedium kan geladen
worden in het interne geheugen van de DG versterker. (zie pagina 77.
MIDI Bulk In)
DG100-212A/DG80-210A/DG80-112A/DG130HA
Op de DG100-212A kunt u de interne luidspreker of
een externe luidspreker aansluiten op de versterker.
Op de DG80-210A/DG80-112A kunt u de interne luid-
spreker of een externe luidspreker, of zowel de in-
terne als een externe luidspreker aansluiten op de
versterker.
Op de DG130HA dient u een luidspreker of luidspre-
kers op de versterker aan te sluiten.

Table of Contents

Related product manuals