EasyManua.ls Logo

Yamato DE410 - Wiring Diagram

Yamato DE410
52 pages
Print Icon
To Next Page IconTo Next Page
To Next Page IconTo Next Page
To Previous Page IconTo Previous Page
To Previous Page IconTo Previous Page
Loading...
37
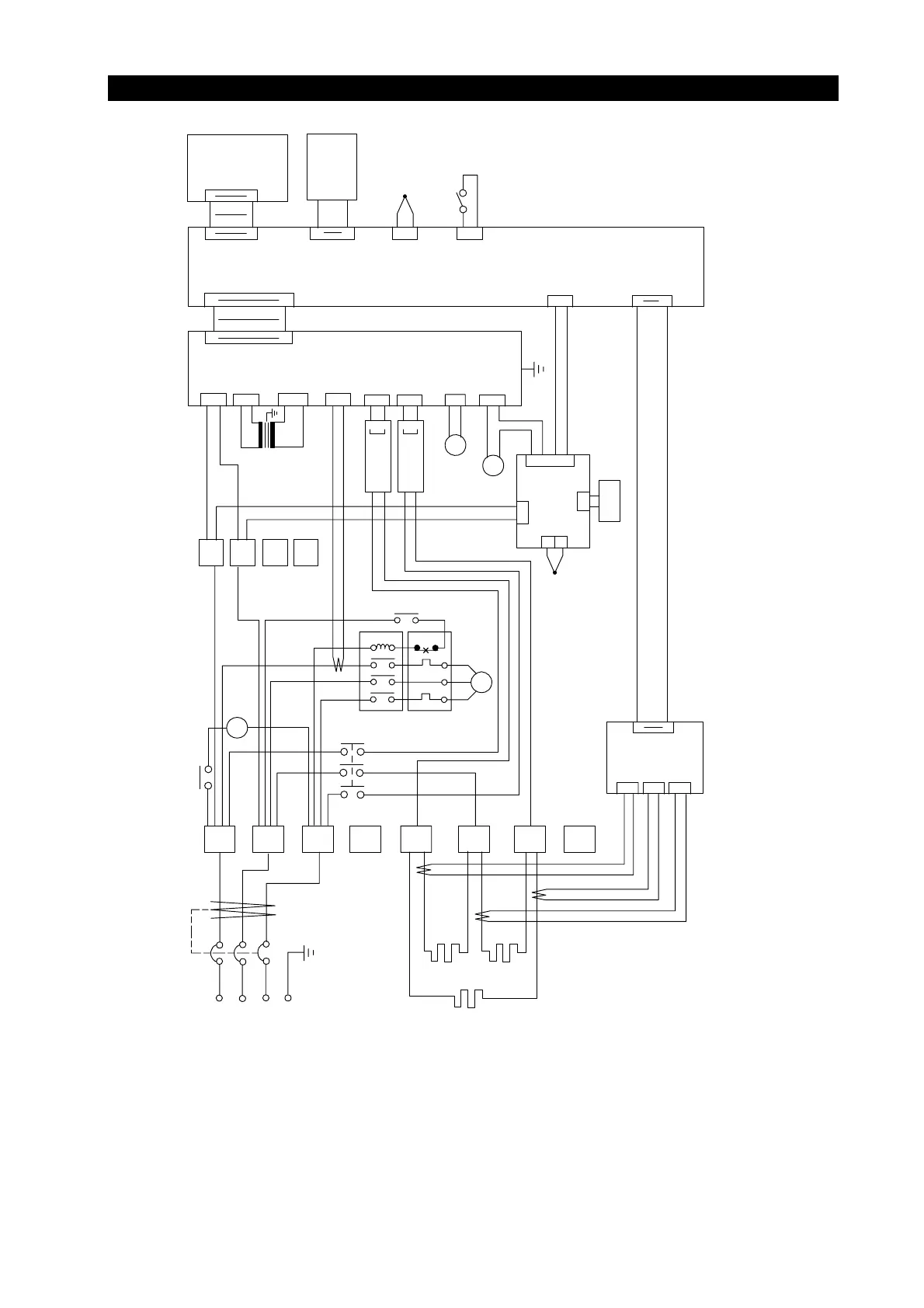
Wiring Diagram
DE410/610/410U/610UDT410
記号
CT1-4
部 品 名
電流検出
LS
DSW
デジタルスイッチ
ELB
漏電ブレーカ
FM
H1
ファンモータ
ヒー1
アスイッチ
PCB1
表示基板
SSR1-2
SS
PCB2
制御基板
PCB3
源基板
PCB4
立過昇防止
TH
Tf
トランス
熱電(ダブルセンサ)
SW
T1-2
端子
X1-3
リレ
H2
ヒー2
H3
ヒー3
PCB5
三相異常検出基板
X4
電磁開閉
シ-トスイッチ
PCB1
J20
1
30
30
1
1
1
1
1
1
1
1
3
1
2
3
3
3
2
4
1
2
J20
4040
J19J19
J34
J25
TC
PCB2
SW
PCB3
J1
J2
J3
7
J4
J10
J4
J5
DSW
Tf
TH
J2
TH
1
3
J15
1
2
3
4
T2
1
6
J21
PCB4
LS
1
10
1
3
J29
X1
J11
1
3
1
3
X2
2
3
J7
5
6
7
8
X1
CT1
1
2
3
4
T1
AC200V
ELB
R
S
T
E
X3
X3
1
3
J35
1
3
J36
1
3
J37
1
6
J21
CT2
CT3
H3
H1
H2
FM
X4
135
A1
A2
246
96
95
X2
W
V
U
X4
CT4
1
3
T1
T2
J1
SSR1
1
3
SSR2
T1
T2
J1
J3
13
J1
PCB5

Related product manuals