EasyManua.ls Logo

Yamato DF412/612 - Wiring Diagrams; DF412612 Wiring Diagram

Yamato DF412/612
78 pages
To Next Page IconTo Next Page
To Next Page IconTo Next Page
To Previous Page IconTo Previous Page
To Previous Page IconTo Previous Page
Loading...
65
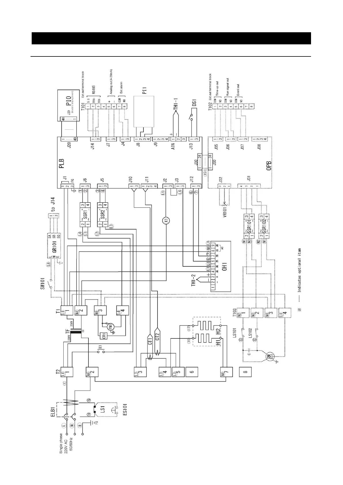
12. WIRING DIAGRAMS
DF412/612 Wiring Diagram

Related product manuals