EasyManua.ls Logo

Yamato FO 710 - FO200;300 Models Wiring

Yamato FO 710
48 pages
Print Icon
To Next Page IconTo Next Page
To Next Page IconTo Next Page
To Previous Page IconTo Previous Page
To Previous Page IconTo Previous Page
Loading...
42
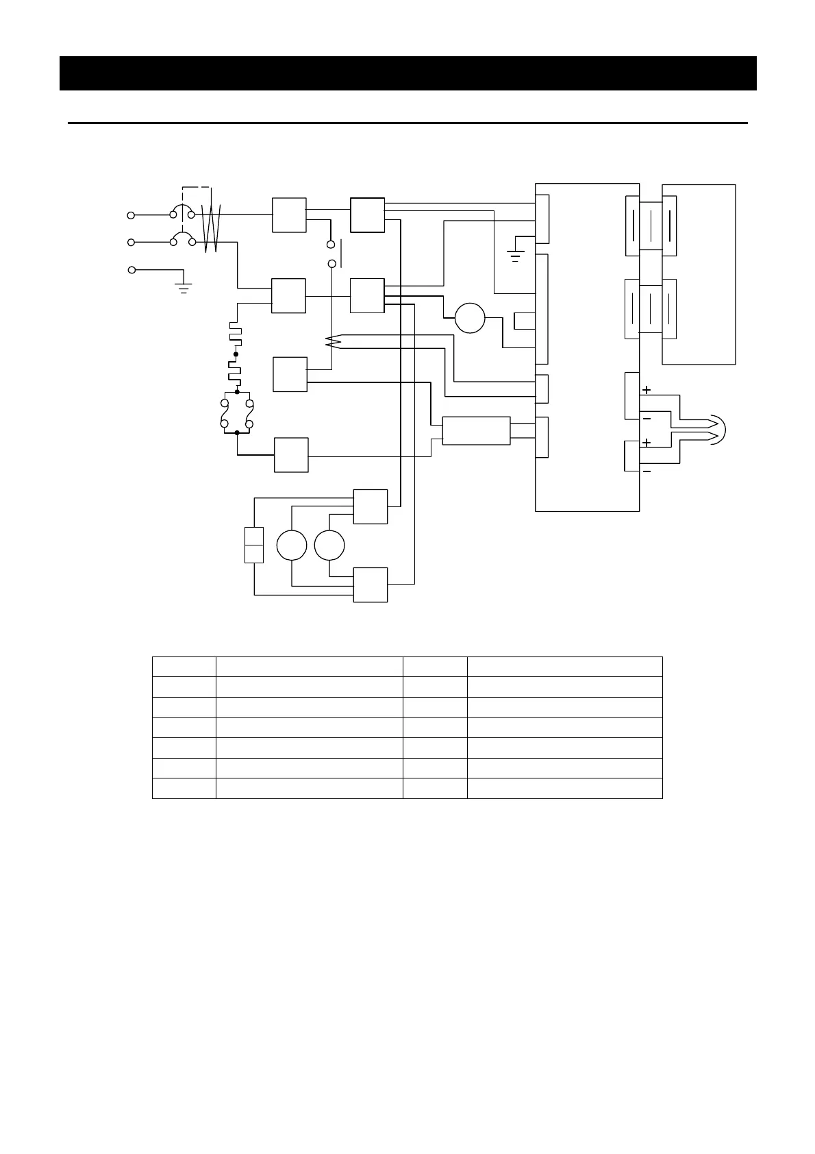
Wiring Diagram
FO610/710/810
FM1
ELB
1
2
CN
H1
H2
AC200V
F
FM2
PIO
CN1
1
18
18
11
1
1
1
1
2
3
4
3
2
2
3
6
X1
X1
CN8
SSR
1
2
TB1
TIC
CN5
CN1
CN2
CN4
CT
P2
1
2
P1
CN2
1
18
18
1
CN9
3
2
1
2
2
3
4
5
3
TB2
2
1
3
4
TH
4
Symbol Part name Symbol Part name
ELB Earth leakage breaker F Thermal fuse
P1,P2 Terminal block FM Fan motor
CT Current transformer TIC Control board
H1,H2 Heater PIO Display circuit board
TH W sensor CN Connector for exhaust system
X1 Main relay SSR Solid state relay

Related product manuals