EasyManua.ls Logo

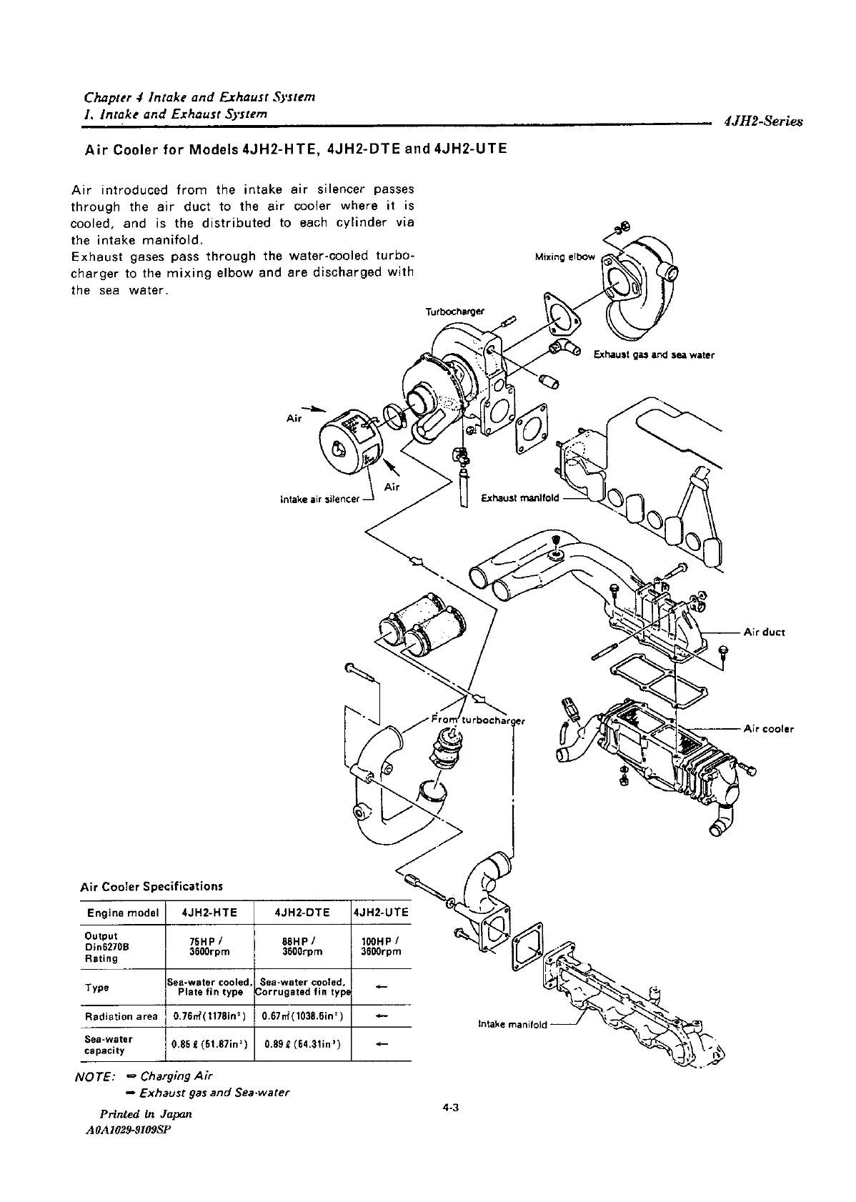
Yanmar 4JH2-DTE - Air Cooler for Models 4 JH2-HTE;DTE;UTE; Air Cooler Specifications

Yanmar 4JH2-DTE
406 pages
Print Icon
To Next Page IconTo Next Page
To Next Page IconTo Next Page
To Previous Page IconTo Previous Page
To Previous Page IconTo Previous Page
Loading...

Table of Contents

Related product manuals