EasyManua.ls Logo

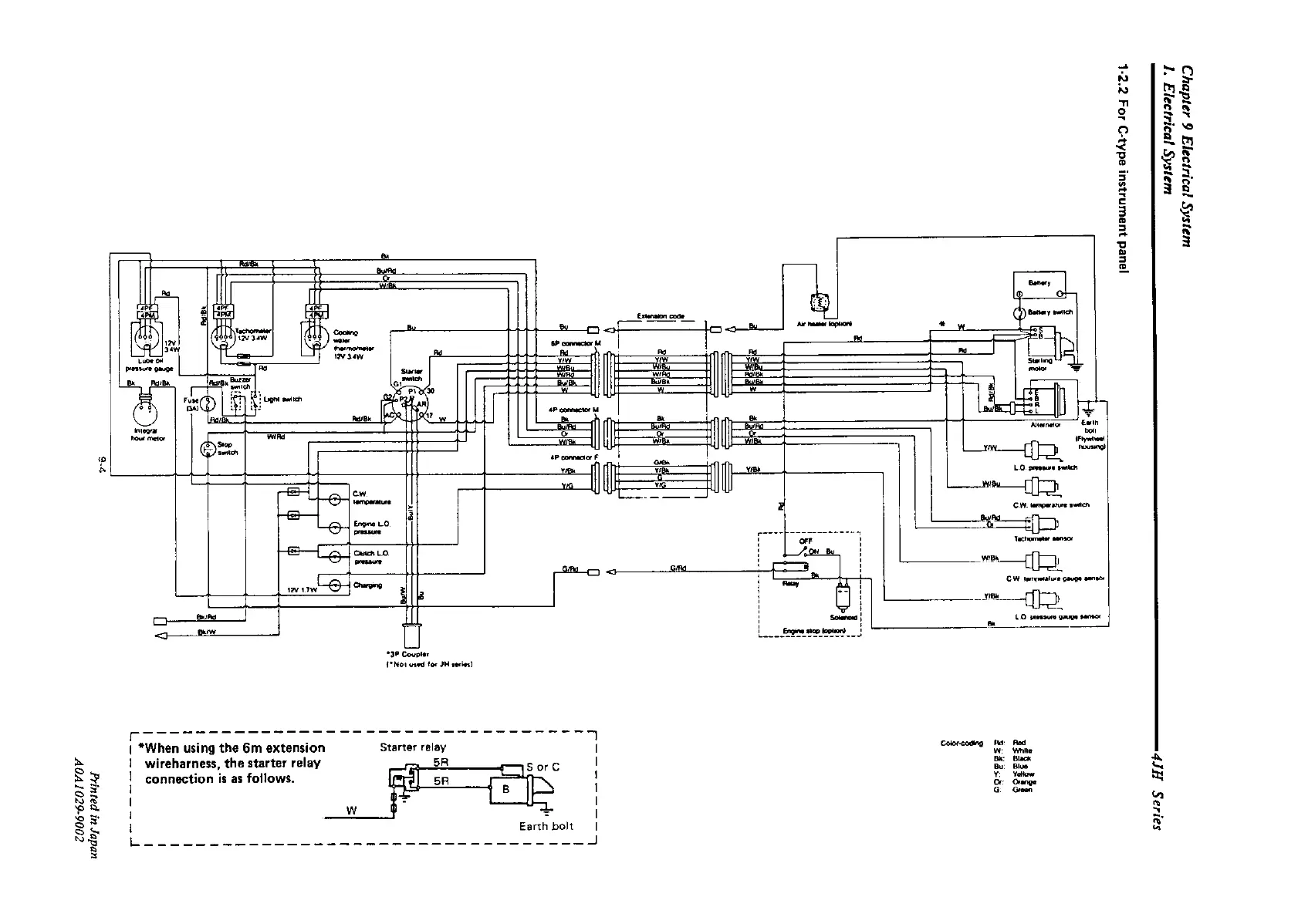
Yanmar 4JH2-DTE - Wiring Diagram (for C-Type Instrument Panel)

Yanmar 4JH2-DTE
406 pages
Print Icon
To Next Page IconTo Next Page
To Next Page IconTo Next Page
To Previous Page IconTo Previous Page
To Previous Page IconTo Previous Page
Loading...

Table of Contents