EasyManua.ls Logo

Yanmar 4JH5E - Page 116

Yanmar 4JH5E
160 pages
Print Icon
To Next Page IconTo Next Page
To Next Page IconTo Next Page
To Previous Page IconTo Previous Page
To Previous Page IconTo Previous Page
Loading...
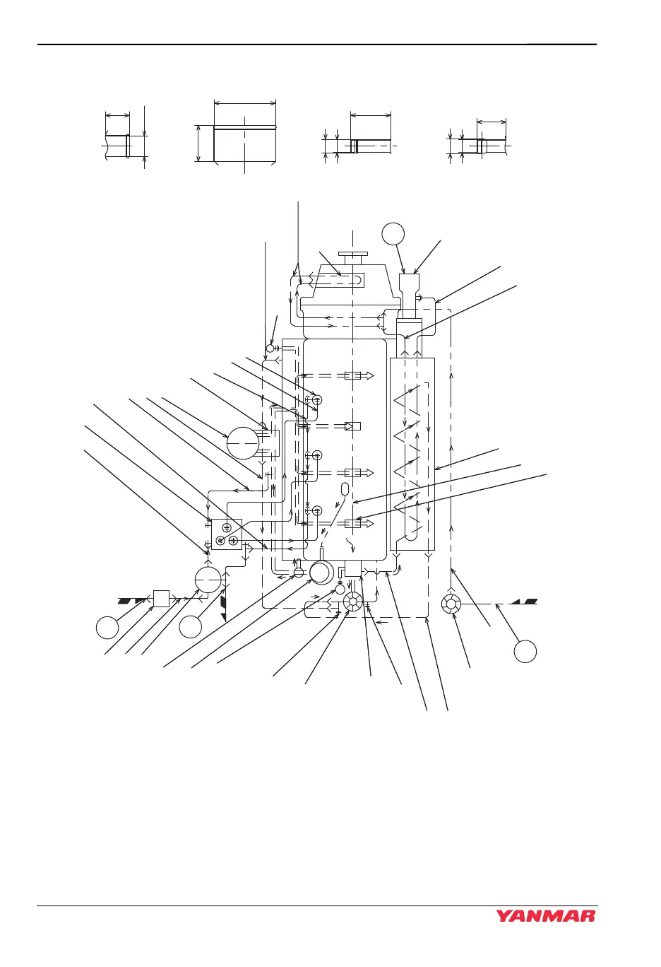
SYSTEM DIAGRAMS
110 JH Series Operation Manual
3JH5E with KM4A1 Marine Gear
Figure 2
026114-00
X
C
D
A
B
P
P
P
P
T
Φ8.5
Φ76.3
Φ8
Φ9
Φ8
Φ26
45
18
30
25
(1)
(2)
(3)
(4)
(5)
(6)
(7)
(8)
(9)
(10)
(11)
(12)
(13)
(14)
(15)
(16)
(18)
(19)
(20)
(21)
(22)
(23)
(24)
(25)
(26)
(27)
(28)
(29)
(30)
(31)
(32)
(41)
(42)
(44)
(43)
(33)
(34)
(35)
(36)
(37)
(39)
(38)
(40)
(17)
JH5_EN_OPM.book 110 ペー 2013年8月8日 木曜日 午前9時23分

Table of Contents