EasyManua.ls Logo

Yanmar 4TNV84 - 2-Valve Cylinder Head; 2-Valve Cylinder Head Components

Yanmar 4TNV84
394 pages
Print Icon
To Next Page IconTo Next Page
To Next Page IconTo Next Page
To Previous Page IconTo Previous Page
To Previous Page IconTo Previous Page
Loading...
ENGINE
6-34
TNV DI Service Manual
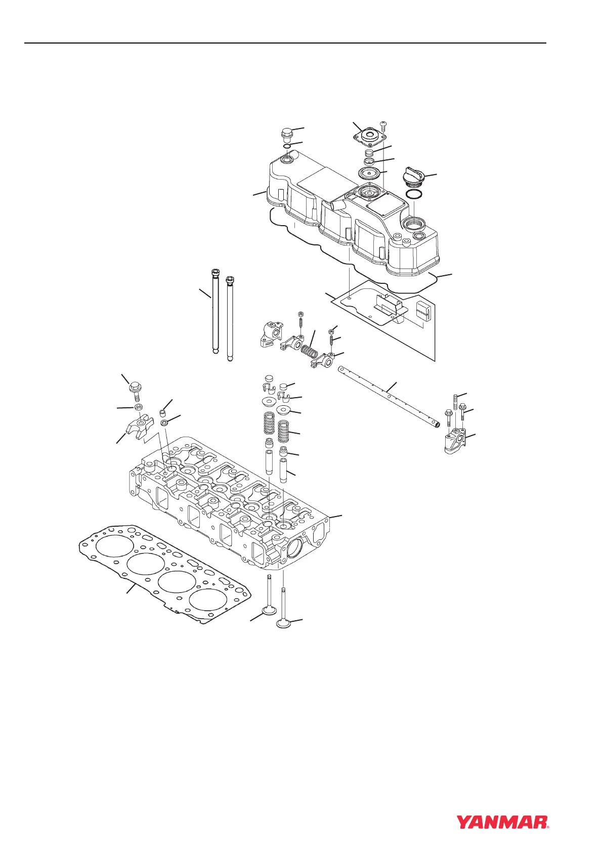
2-Valve Cylinder Head
2-VALVE CYLINDER HEAD
2-Valve Cylinder Head Components
Figure 6-1
0001919
(27)
(28)
(22)
(21)
(29)
(30)
(31)
(32)
(26)
(23)
(24)
(25)
(20)
(19)
(18)
(17)
(12)
(14)
(15)
(16)
(13)
(8)
(7)
(2)
(1)
(5)
(6)
(4)
(3)
(11)
(10)
(33)
(9)
(34)
TNV_DI_SM_A4.book 34 ージ 207年2月日 曜日 午前時2

Table of Contents