EasyManua.ls Logo

Yanmar 6BY - Cylinder Block and Crankshaft; Cylinder Block;Crankshaft Components

Yanmar 6BY
275 pages
Print Icon
To Next Page IconTo Next Page
To Next Page IconTo Next Page
To Previous Page IconTo Previous Page
To Previous Page IconTo Previous Page
Loading...
ENGINE
5-60
BY Service Manual
Cylinder Block and Crankshaft
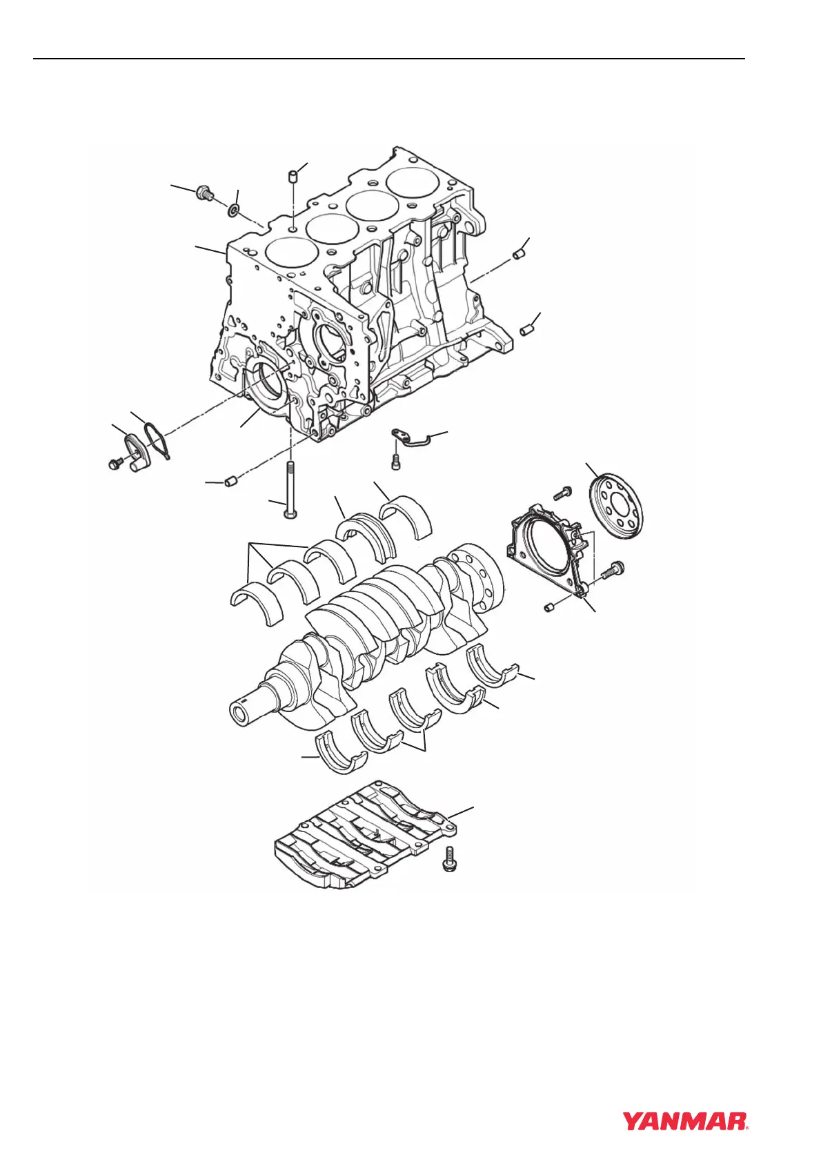
CYLINDER BLOCK AND CRANKSHAFT
Components
Figure 5-102
0004029
(1)
(2)
(3)
(4)
(5)
(5)
(6)
(13)
(12)
(12)
(14)
(15)
(16)
(17)
(7)
(8)
(9)
(10)
(11)
(9)
(9)
(18)

Table of Contents

Related product manuals