EasyManua.ls Logo

York AFFINITY BHZ - Page 71

York AFFINITY BHZ
84 pages
Print Icon
To Next Page IconTo Next Page
To Next Page IconTo Next Page
To Previous Page IconTo Previous Page
To Previous Page IconTo Previous Page
Loading...
718419-YTG-D-0613
Johnson Controls Unitary Products 71
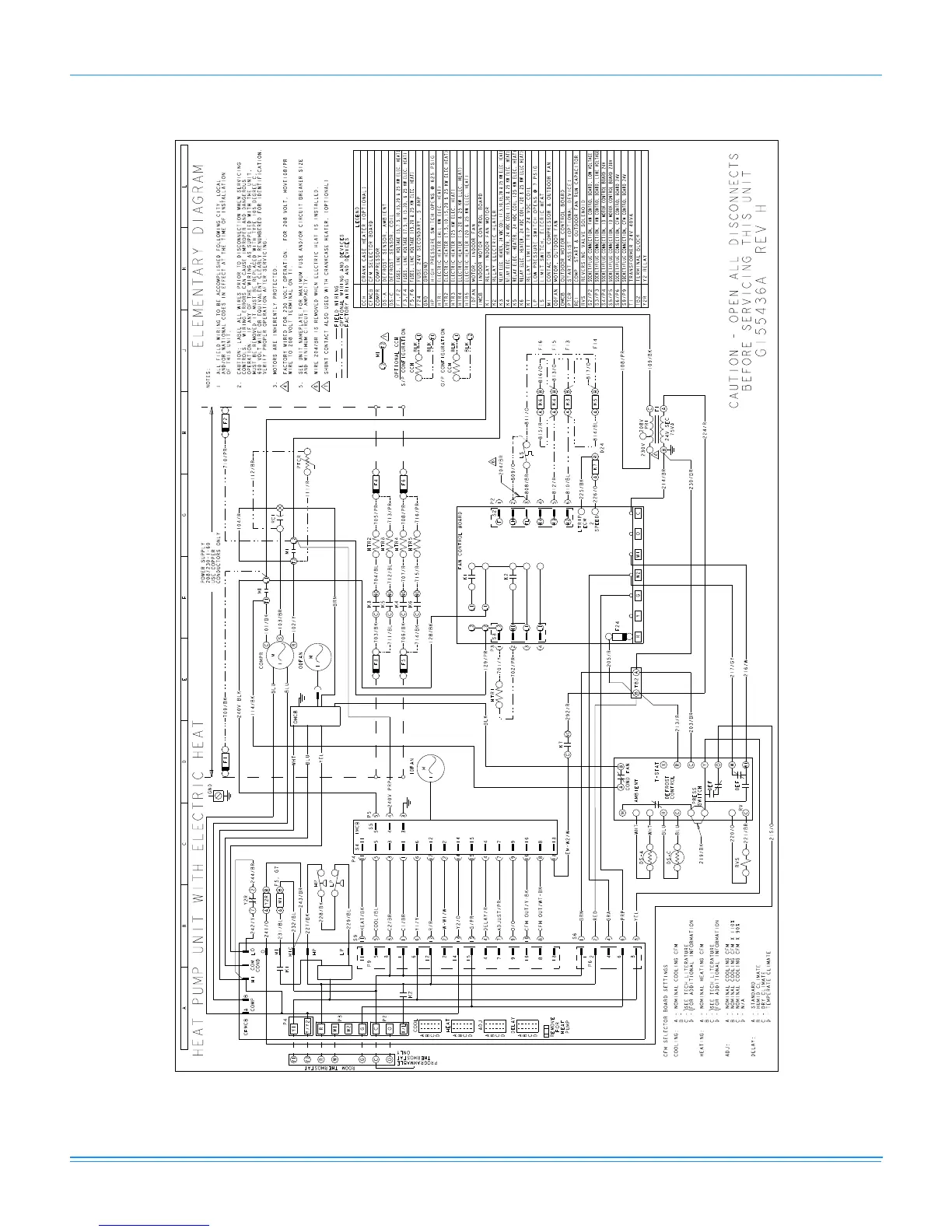
Typical BHX024, 048 and 060 Heat Pump 208/230-1-60 volt Wiring Diagram

Related product manuals